Качественные детали и логистика
Оригинальные и аналоговые запчасти с доставкой по России, Казахстану и Беларуси
©2022 PartSell ООО "Система" ИНН 2463123282 ОГРН 1212400004838
Центральный офис: г. Красноярск, Академика Киренского, д.87, пом.4
Телефон: 8 (800) 777-65-74 Email: zakaz@partsell.ru
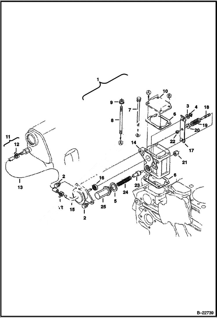
BOOST COMPENSATOR (Kubota - V2003-M-DI-T)
№
Артикул
Название
Примечание
Количество
1
COMPENSATOR *SEE NOTES* See BTI407 Ref. 2-5 & 14-25 - Was 6685638
2
1CM612
BOLT Was 4CM612 - A
3
6652710
WASHER
4
6680821
SNAP RING
5
6685634
GASKET
6
6684841
7
6657414
BOLT
8
6685639
STUD
9
6670533
NUT
10
6685500
COVER
11
PIPE ASSY NLA - Order Ref. 12 & 13 - Was 6685645 - A
12
6680628
CLAMP
13
6685635
TUBE
14
HOUSING NSS
15
ELBOW NSS
16
SPACER NSS
17
BRACKET NSS
18
PISTON NSS
19
SPRING NSS
20
BUSHING NSS
21
NUT NSS
22
23
24
25
VALVE NSS
Выбрано товаров: 0