Запчасти Bobcat 5610 PRE-CLEANER KIT ACCESSORIES & OPTIONS

Схема запчастей Bobcat 5610 - PRE-CLEANER KIT ACCESSORIES & OPTIONS
FIT
1:1
100%

Артикул

Название

Примечание

Количество

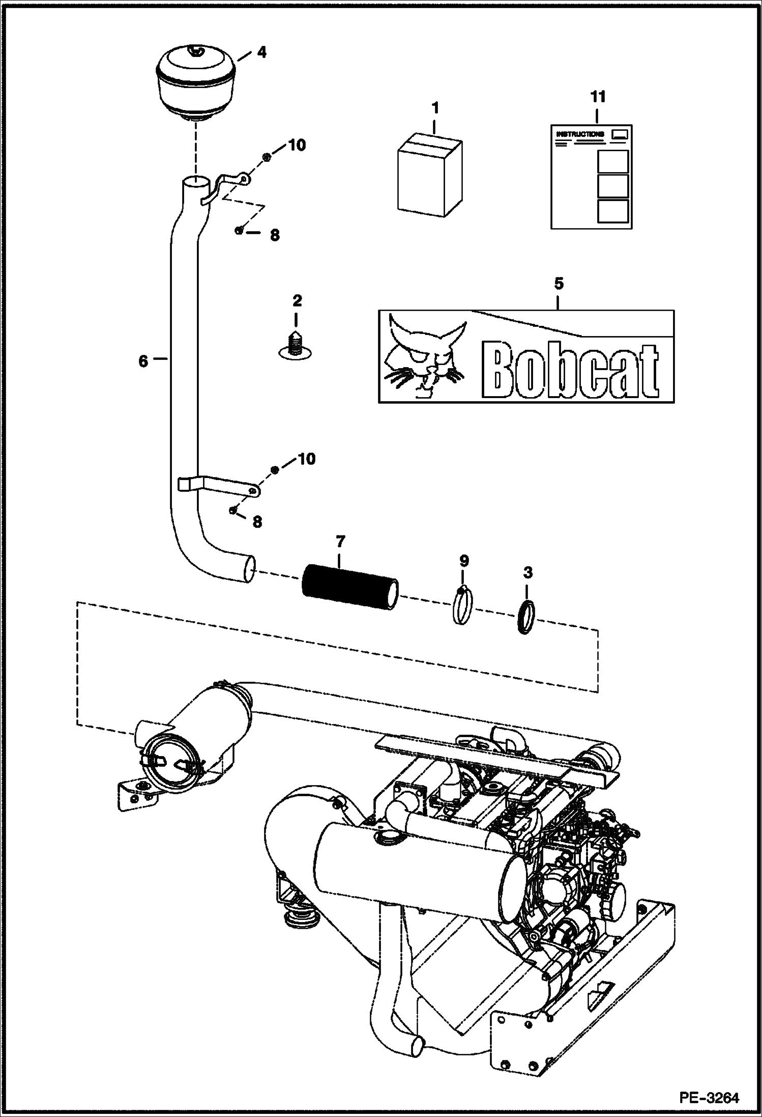
1

7133045

PRE-CLEANER KIT W/Ref 2-11

2

6683172

CLIP plastic tree

3

6688808

GROMMET

4

6688809

FILTER

5

6811236

DECAL, LOGO BOBCAT AND HEAD

6

7133029

TUBE

7

7133030

HOSE

8

29CM820

SCREW

9

42H44

HOSECLAM5

10

51DM8

NUT

11

6904918

INSTRUCTIONS

Выбрано товаров: 11