Качественные детали и логистика
Оригинальные и аналоговые запчасти с доставкой по России, Казахстану и Беларуси
©2022 PartSell ООО "Система" ИНН 2463123282 ОГРН 1212400004838
Центральный офис: г. Красноярск, Академика Киренского, д.87, пом.4
Телефон: 8 (800) 777-65-74 Email: zakaz@partsell.ru
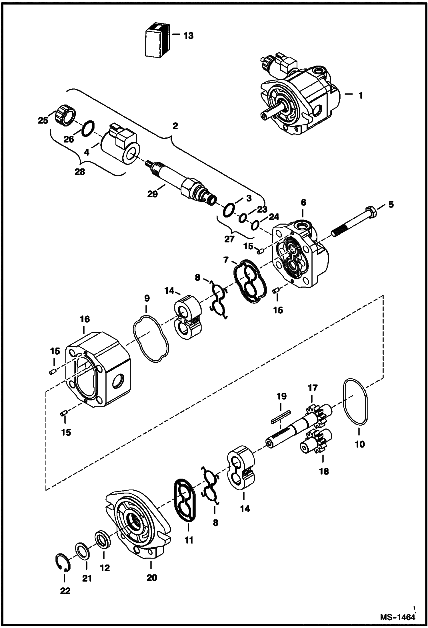
HYDRAULIC FAN MOTOR
№
Артикул
Название
Примечание
Количество
1
6689703
MOTOR, FAN Ref. 2-29
2
6689059
VALVE, RELIEF relief - W/Ref. 3,4, 23-28
3
O-RING NSS-Order Ref. 27
4
COIL NSS - Order Ref. 28
5
BOLT NSS
6
HOUSING NSS
7
SEAL RING NSS -Order Ref 1
8
BACKING RING NSS -Order Ref 1
9
SEAL NSS -Order Ref 1
10
O-RING NSS -Order Ref 1
11
12
6686649
SEAL
13
6686206
SEAL KIT Includes Ref. 12, 21 & 22
14
SOLENOID NSS
15
PIN NSS
16
17
DRIVE GEAR NSS
18
GEAR NSS
19
6690596
KEY
20
END PLATE NSS
21
6686650
WASHER
22
6686648
RING
23
SEAL NSS- Order Ref. 27
24
25
NUT NSS - Order Ref. 28
26
6686208
O-RING
27
6683206
SEAL KIT W/Ref. 3, 23 & 24 - Was 6685184 - A
28
6689060
COIL ASSY W/Ref. 4, 25 & 26
29
STEM NSS - Order Ref. 2
Выбрано товаров: 0