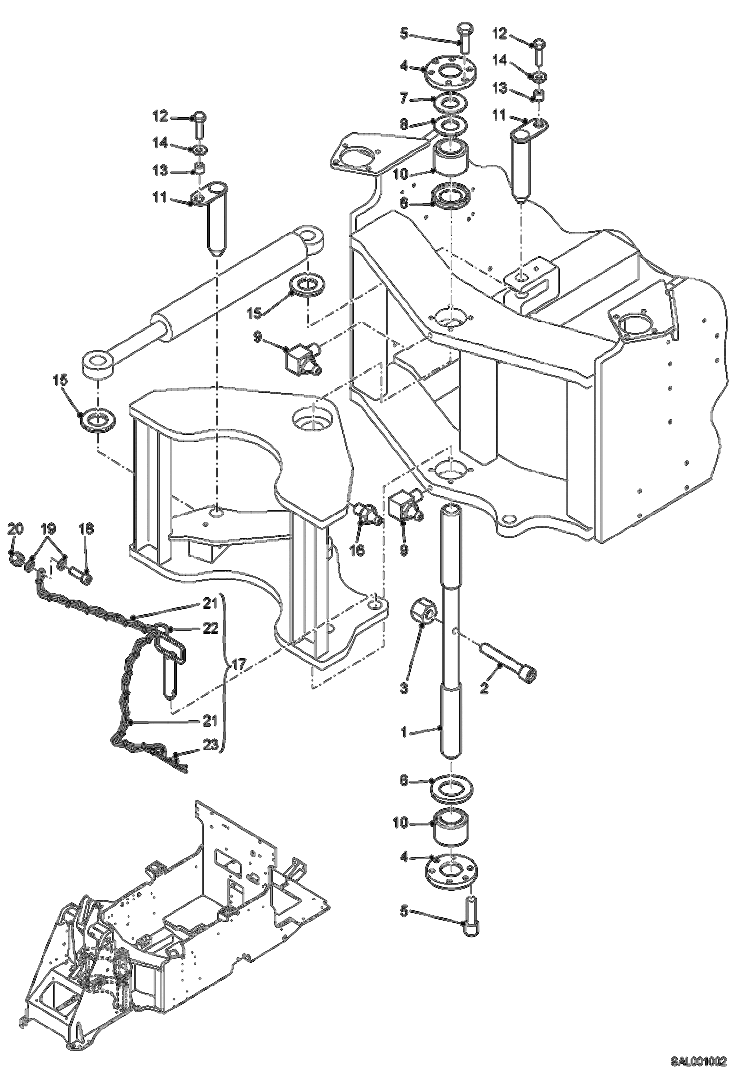
Запчасти Bobcat AL275 ARTICULATION MAIN FRAME

Схема запчастей Bobcat AL275 - ARTICULATION MAIN FRAME
FIT
1:1
100%

Артикул

Название

Примечание

Количество

1

0336006202

PIN

2

1045707425

BOLT M 10X90

3

1212251013

NUT M 10

4

0336006303

COVER

5

1008707923

BOLT M 10X25

6

0336006304

RING

7

1309412415

SHIM

8

1309412007

SHIM

9

1608003006

GREASE NIPPLE M6X1 45°

10

1950000863

LINKAGE BEARING

11

0185023010

PIN

12

1008707829

BOLT M12X30

13

0333023033

SPACER BUSHING

14

1343707061

WASHER 13

15

1309412911

SHIM

16

1607003010

GREASE NIPPLE M10X1

17

5603620631

PIN

18

1008707318

BOLT M 8x25

19

1290707018

WASHER

20

1212251011

NUT

21

5361324500

CHAIN

22

1557909026

RING

23

5603620632

JACK LATCH

Выбрано товаров: 23