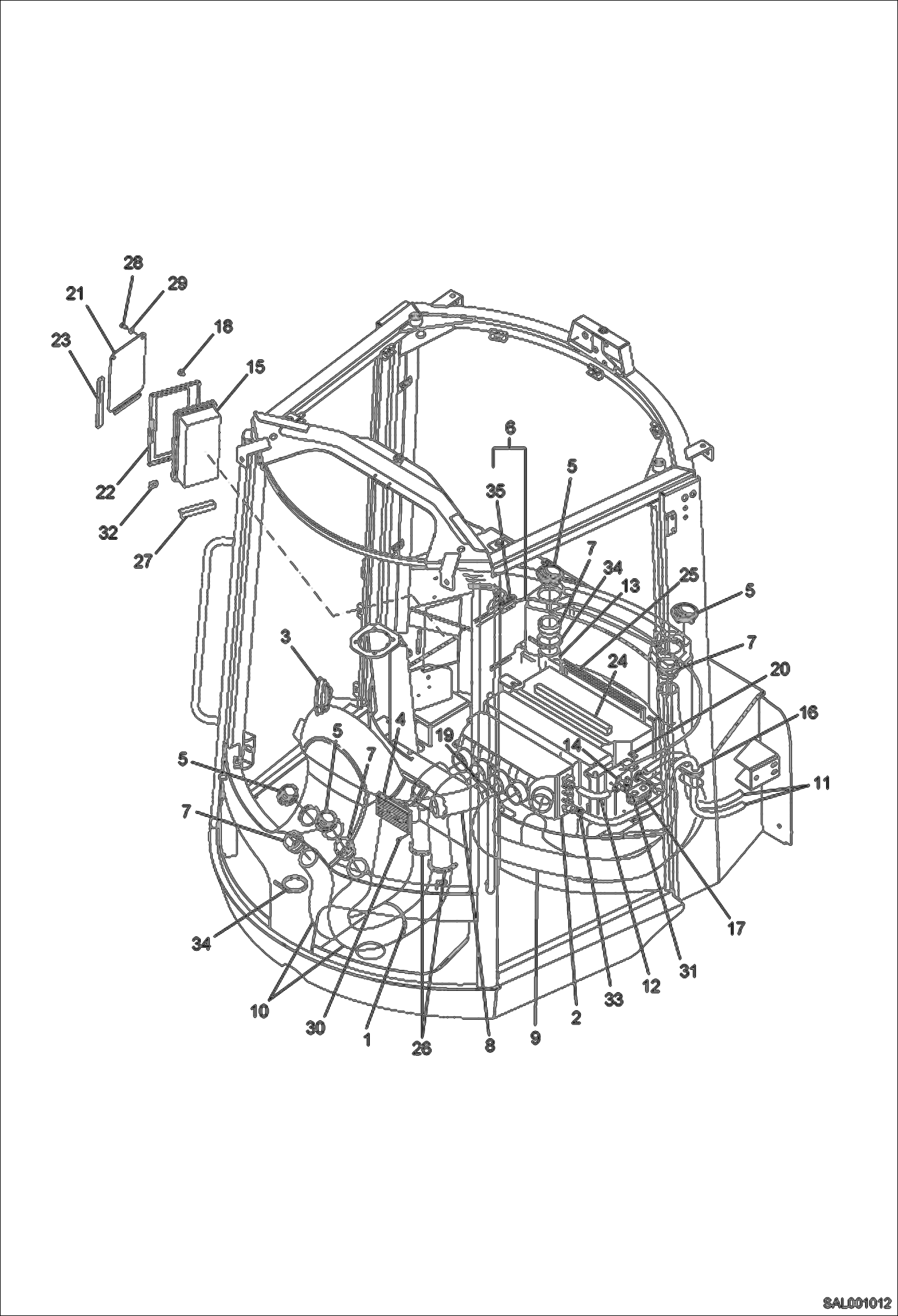
Запчасти Bobcat AL275 CAB-HEATING MAIN FRAME

Схема запчастей Bobcat AL275 - CAB-HEATING MAIN FRAME
FIT
1:1
100%

Артикул

Название

Примечание

Количество

1

5388665471

CABLE BINDER

2

5388665472

HEATING

3

5388665473

NOZZLE

4

5388665474

NOZZLE

5

5388662367

NOZZLE

6

5388662385

REGULATOR W/Ref. 35

7

5388665478

REDUCTION PIECE

8

5388665479

HOSE 250MM

9

5388665481

HOSE 1150MM

10

5388665481

HOSE 1150MM

11

5388665482

HOSE 2950MM

12

5388665483

HOSE 240MM

13

5388665484

HOSE 1440MM

14

5388665014

HEATER VALVE

15

5388665486

FILTER STANDARD

16

5388665362

RUBBER

17

5388665363

RUBBER

18

5388665487

BUTTON

19

5388665370

REDUCTION

20

5388662652

PIPE CLIP

21

5388665116

GRILL

22

5388665489

FRAME

23

5388665490

SEAL

24

5388665491

SEAL

25

5388665492

SEAL

26

5388665493

BRACKET

27

5388665494

PROFILE

28

1062707213

BOLT M6X20

29

5388665425

WASHER M 6,4X12

30

5388662721

BOLT M3,5X16

31

5388661435

BOLT

32

5388665496

CLIPS

33

5388665497

CABLE BINDER 19-28

34

5388665498

CABLE BINDER 50-70

35

5388665476

CABLE

Выбрано товаров: 0