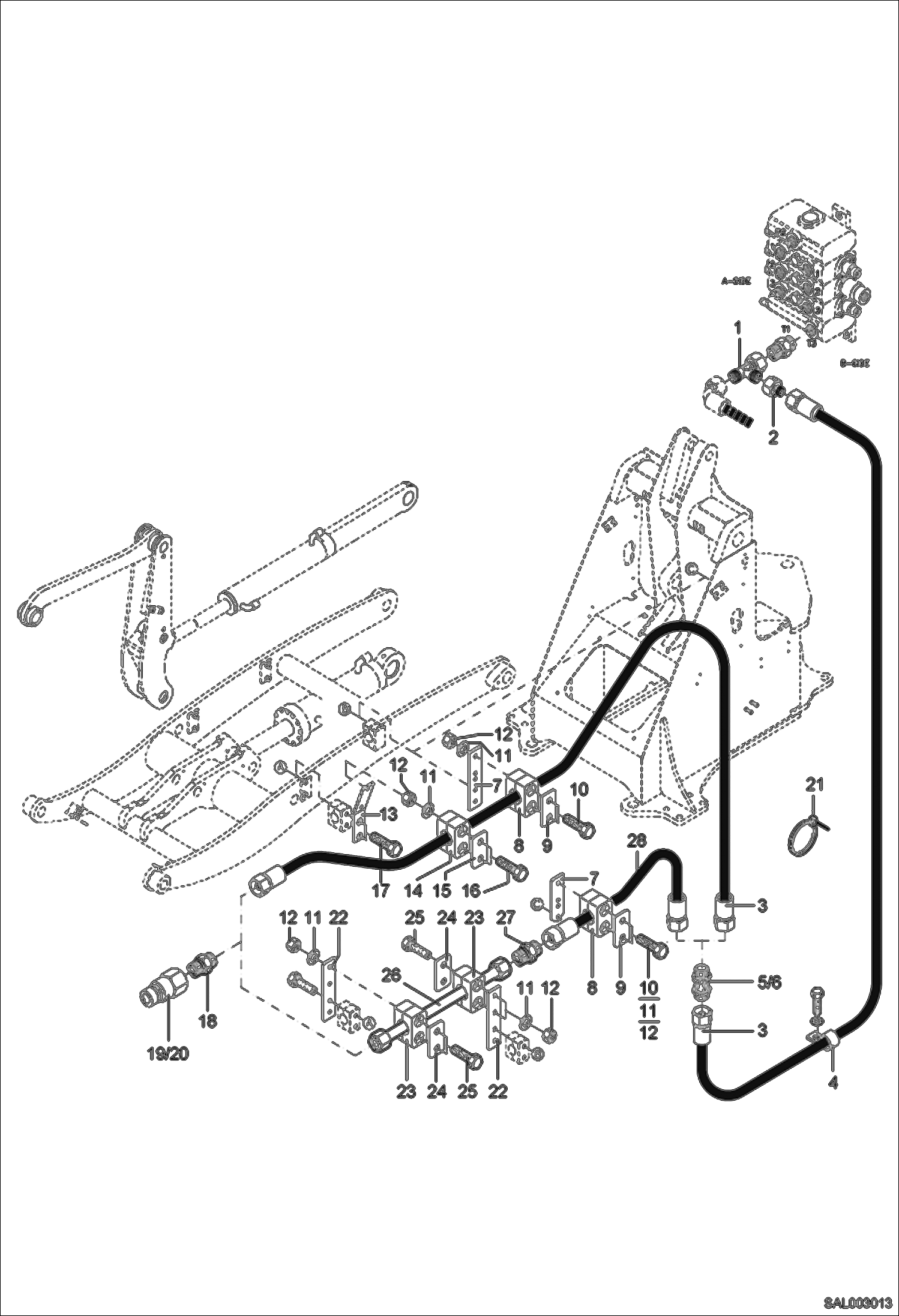
Запчасти Bobcat AL275 PRESSURELESS RETURN LINE HYDRAULIC INSTALLATION

Схема запчастей Bobcat AL275 - PRESSURELESS RETURN LINE HYDRAULIC INSTALLATION
FIT
1:1
100%

Артикул

Название

Примечание

Количество

1

1919000693

FITTING

2

1934000742

FITTING

3

4120177189

HOSE

4

5000210410

HOSE CLIP 31,8

5

1913000043

FITTING

6

1290707046

WASHER 31

7

0464750003

BRACKET

8

5660199803

CLIP BAUGR.4

9

5660200140

COVER PLATE

10

1007707514

BOLT M 6X60

11

1343707055

WASHER 6,4

12

1212251009

NUT M6

13

0451250003

BRACKET

14

5660199632

CLIP

15

5660200150

COVER

16

1007707814

BOLT M 6X75

17

1007707214

BOLT M 6X45

18

5000009100

HOSE CONNECTOR

19

5000105100

COUPLING PLUG

20

5000106000

DUST CAP

21

5653093560

BINDER 4,8X200

22

0451250502

BRACKET

23

5660199787

HOSE CLIP

24

5660200130

COVER

25

1007707414

BOLT M 6X55

26

0451250503

PIPE

27

1915000428

FITTING

28

4120125189

HOSE

Выбрано товаров: 28