Запчасти Bobcat AL275 VALVE BANK With Control Valve 5520661873 HYDRAULIC INSTALLATION

Схема запчастей Bobcat AL275 - VALVE BANK With Control Valve 5520661873 HYDRAULIC INSTALLATION
FIT
1:1
100%

Артикул

Название

Примечание

Количество

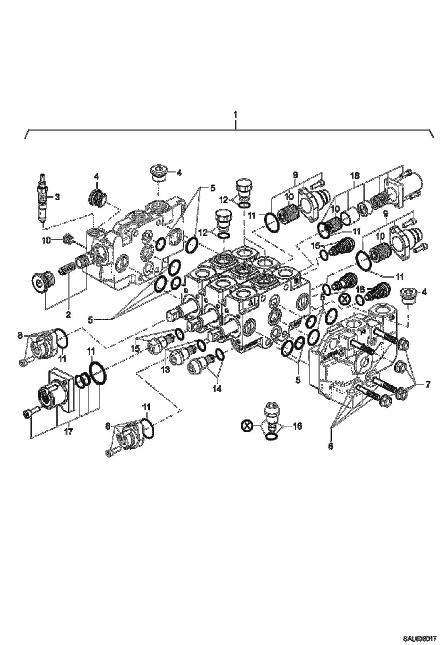
1

5520661873

VALVE, CONTROL W/Ref. 2-18

2

5520662051

MAIN RELIEF VALVE CPL. 250 BAR

3

5520662052

VALVE PILOT PART

4

5520662782

PLUG

5

5520662055

INTERSECTION SEALS

6

5520662056

KIT, TIE ROD

7

5520662057

NUT KIT 4XMUTTER

8

5520662058

CAP KIT A-SIDE A-SEITE

9

5520662059

CAP KIT B-SIDE B-SEITE

10

5520662789

PLUG

11

5520662061

SEAL KIT

12

5520662062

CHECK VALVE CPL.

13

5520662063

ANTI-CAVITATION VALVE CPL.

14

5520662742

RELIEF VALVE CPL. 125 BAR

15

5520662065

RELIEF VALVE CPL. 230 BAR

16

5520662066

RELIEF VALVE CPL. 280 BAR

17

5520662700

CAP KIT A-SIDE A-SEITE

18

5520662698

CAP KIT B-SIDE B-SEITE

Выбрано товаров: 18