Качественные детали и логистика
Оригинальные и аналоговые запчасти с доставкой по России, Казахстану и Беларуси
©2022 PartSell ООО "Система" ИНН 2463123282 ОГРН 1212400004838
Центральный офис: г. Красноярск, Академика Киренского, д.87, пом.4
Телефон: 8 (800) 777-65-74 Email: zakaz@partsell.ru
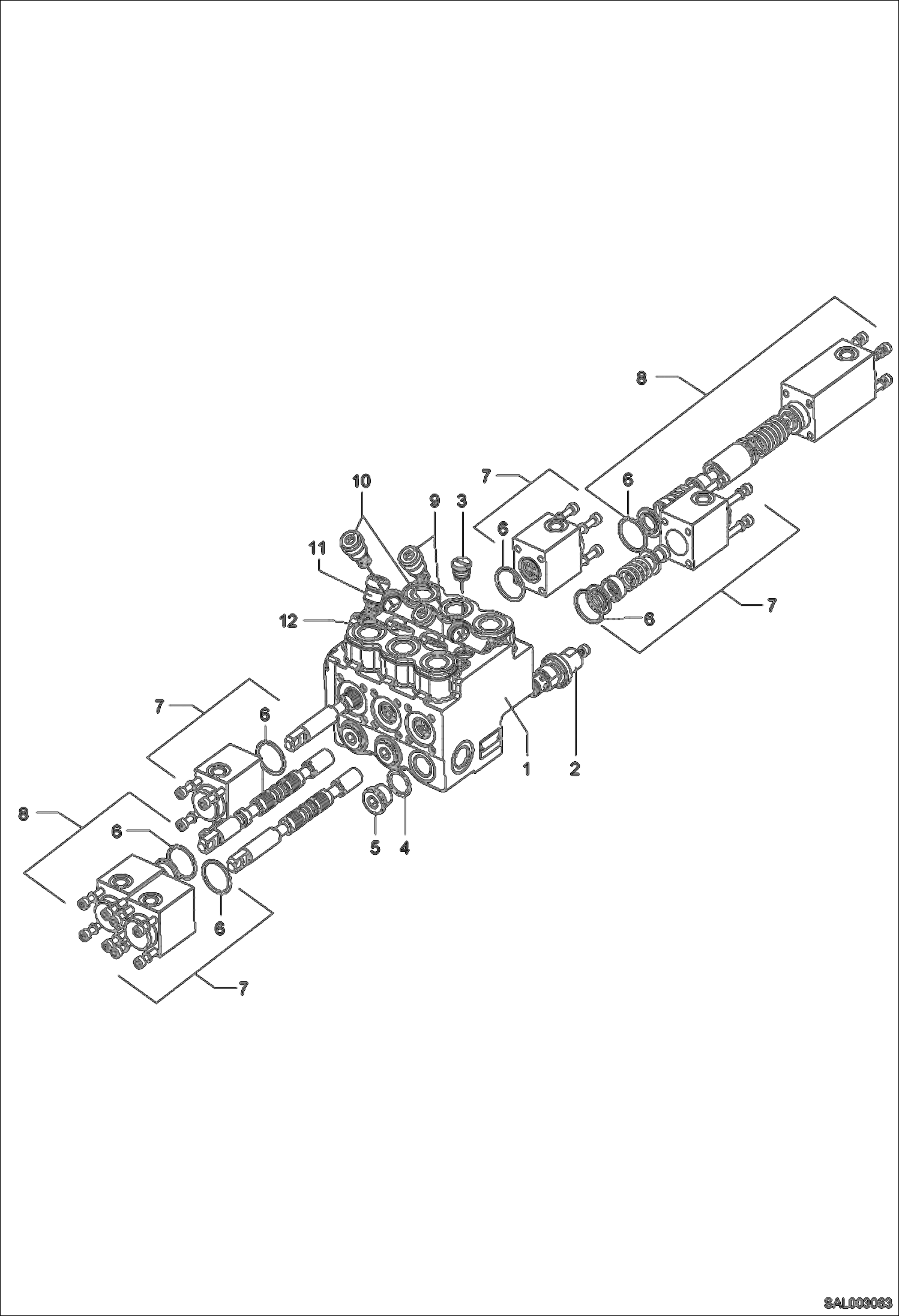
VALVE BANK With Control Valve 5088081114
№
Артикул
Название
Примечание
Количество
1
5088081114
VALVE BANK CPL.
2
5088081161
MAIN RELIEF VALVE CPL.
3
5088081162
CECK VALVE CPL.
4
5088081163
RING,SEAL
5
5088081164
BLANKING ENDSCPL.
6
1971956238
O-RING
7
5088081165
CONTROL UNIT
8
5088081166
9
5088081167
RELIEF VALVE CPL.
10
5088081168
11
5088081169
12
5088081170
ANTICAVICATION VALVE CPL.
Выбрано товаров: 0