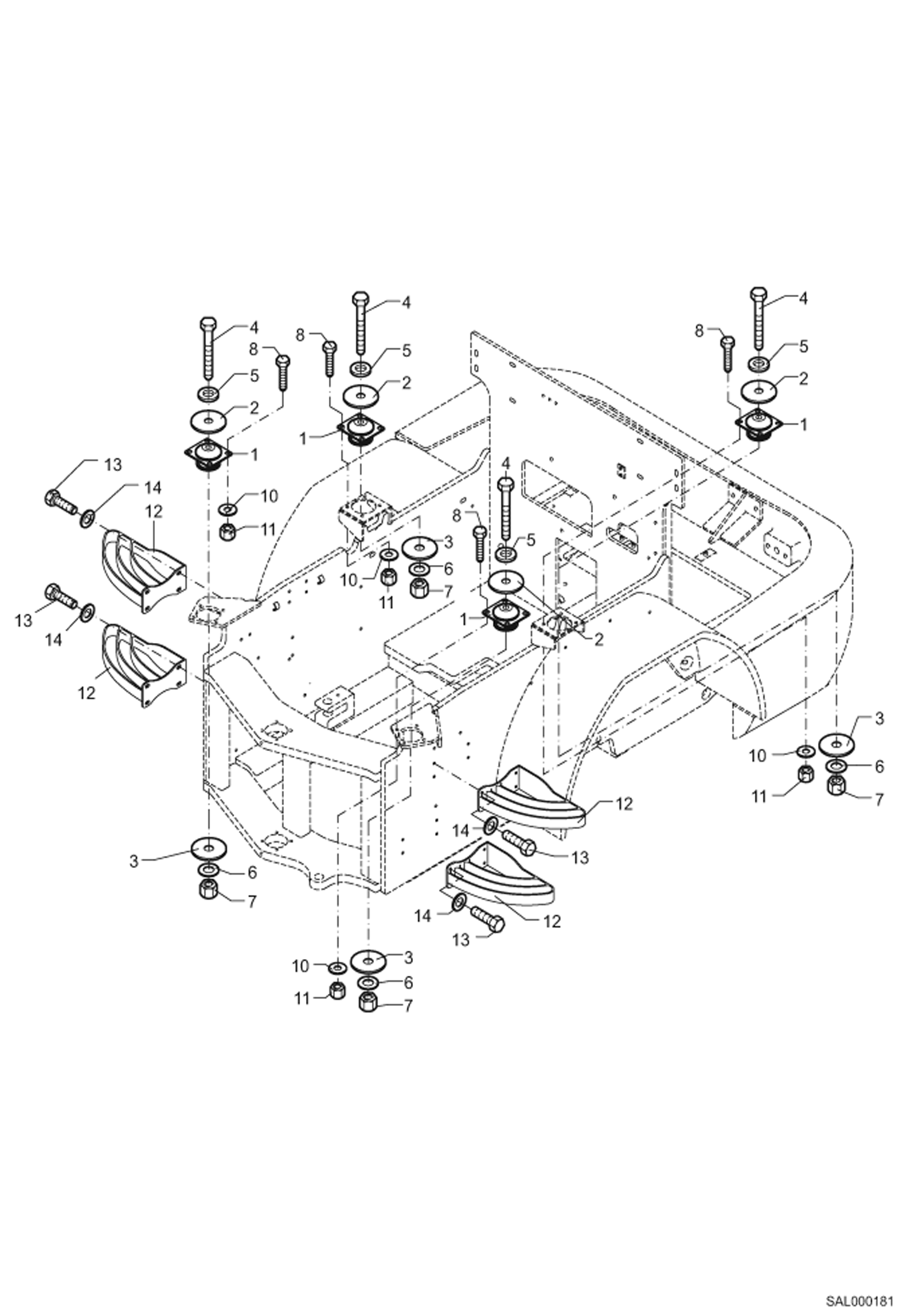
Запчасти Bobcat AL275 STEPS, COVER, FLOOR FRAME SHOCK MOUNTING MAIN FRAME

Схема запчастей Bobcat AL275 - STEPS, COVER, FLOOR FRAME SHOCK MOUNTING MAIN FRAME
FIT
1:1
100%

Артикул

Название

Примечание

Количество

1

5153656320

RUBBER BASE

2

5153656311

SHIM

3

5153656312

SHIM

4

1007707442

BOLT

5

1343707065

WASHER

6

1290707028

WASHER

7

1212251016

NUT

8

1008707124

BOLT

10

1290707020

WASHER

11

1212251013

NUT

12

0451006011

STEPS

13

1008707923

BOLT

14

1343707059

WASHER

Выбрано товаров: 0