Качественные детали и логистика
Оригинальные и аналоговые запчасти с доставкой по России, Казахстану и Беларуси
©2022 PartSell ООО "Система" ИНН 2463123282 ОГРН 1212400004838
Центральный офис: г. Красноярск, Академика Киренского, д.87, пом.4
Телефон: 8 (800) 777-65-74 Email: zakaz@partsell.ru
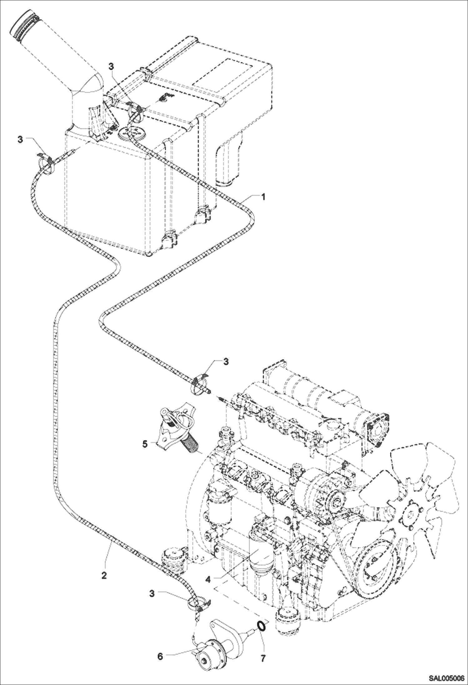
FUEL SUPPLY
№
Артикул
Название
Примечание
Количество
1
0396515076
HOSE, FUEL
2
0394015070
HOSE
3
5603320317
CLIP
4
5411656301
FUEL FILTER
5
5411657862
FUEL INJECTION PUMP
6
5411663943
FUEL PUMP
7
5411663944
O-SEAL
Выбрано товаров: 0