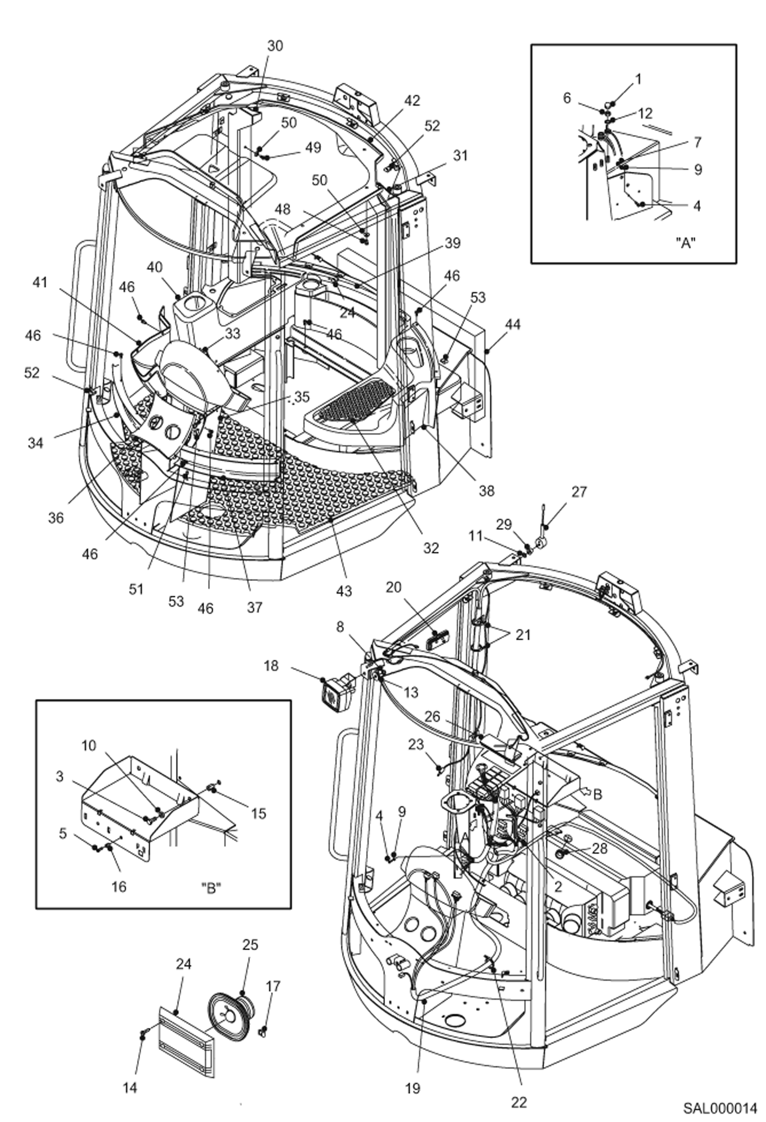
Запчасти Bobcat AL275 CAB-EQUIPMENT 2 MAIN FRAME

Схема запчастей Bobcat AL275 - CAB-EQUIPMENT 2 MAIN FRAME
FIT
1:1
100%

Артикул

Название

Примечание

Количество

1

5388665500

NUT

2

5388662850

SEAL

3

5388665173

BOLT

4

5388662880

BOLT

5

5388662776

BOLT

6

5388665439

NUT

7

5388662813

NUT

8

5388662128

NUT

9

5388662763

WASHER

10

1290707018

WASHER Was 5388665441 - A

11

5388665501

WASHER

12

5388662371

WASHER

13

5388662431

WASHER

14

5388665096

BOLT

15

5388665218

NUT

16

5388665502

NUT

17

5388665188

CLIP

18

5110661552

WORKING LIGHT

19

5388665503

WIRE HARNESS

20

5388665505

INTERIOR LIGHT

21

5388665421

HOSE CLIP

22

5388665471

CABLE BINDER

23

5388665181

WIRE HARNESS

24

5388662548

COVER

25

5388662241

LOUDSPEAKER

26

5388665157

COVER

27

5388665182

AERIAL

28

5388662101

RUBBER

29

5388665184

RUBBER GROMMET

30

5388665126

COVERING

31

5388665123

COVERING

32

5388665101

CARPET

33

5388665092

COVER

34

5388665408

FRAME

35

5388665433

CONSOLE

36

5388665444

COVER

37

5388665455

FRAME

38

5388665466

CONSOLE

39

5388665477

COVER

40

5388665488

CONSOLE

41

5388665499

COVER

42

5388665510

LINING ROOF

43

5388665409

FLOOR MAT

44

5388665420

MAT

45

5388665190

WASHER

46

5388665098

BOLT

47

5388665425

WASHER

48

1087707108

BOLT

49

5388665426

BOLT

50

5388662047

WASHER

51

5388665427

RIVET

52

5388662687

CLIP

53

5388665102

CLIP

Выбрано товаров: 53