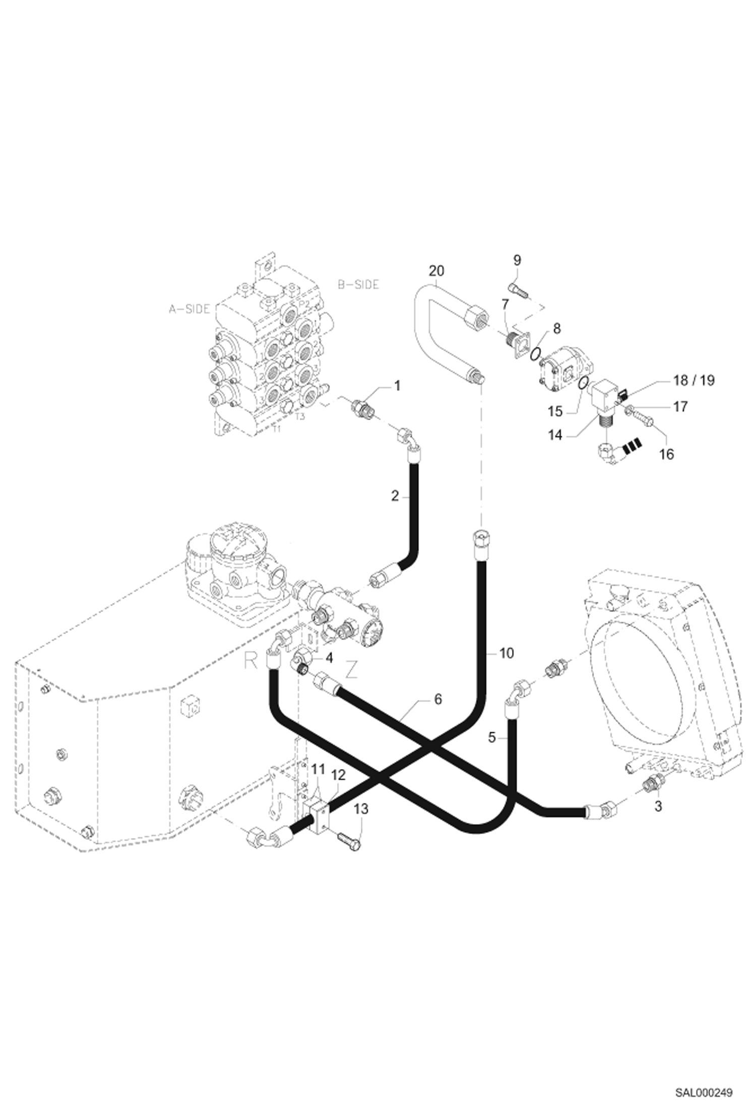
Запчасти Bobcat AL275 LOADING EQUIPMENT 2 HYDRAULIC INSTALLATION

Схема запчастей Bobcat AL275 - LOADING EQUIPMENT 2 HYDRAULIC INSTALLATION
FIT
1:1
100%

Артикул

Название

Примечание

Количество

1

5260310273

FITTING

2

4125081156

HOSE

3

1915060567

FITTING

4

1924060156

ELBOW FITTING

5

4120137178

HOSE

6

4120093151

HOSE

7

5260310277

FLANGE CONNECTION

8

1970956525

O-RING

9

1045707318

BOLT

10

4132150226

HOSE

11

5660199644

HOSE CLIP

12

5660200160

COVER PLATE

13

1007707714

BOLT

14

5260310275

FLANGE CONNECTION

15

1970956625

O-RING

16

1007707414

BOLT

17

1321707014

SPRING WASHER

18

5066234000

TEST FITTING +Ref.19

19

1912000676

SEAL RING

20

5260310360

PIPE

Выбрано товаров: 0