Качественные детали и логистика
Оригинальные и аналоговые запчасти с доставкой по России, Казахстану и Беларуси
©2022 PartSell ООО "Система" ИНН 2463123282 ОГРН 1212400004838
Центральный офис: г. Красноярск, Академика Киренского, д.87, пом.4
Телефон: 8 (800) 777-65-74 Email: zakaz@partsell.ru
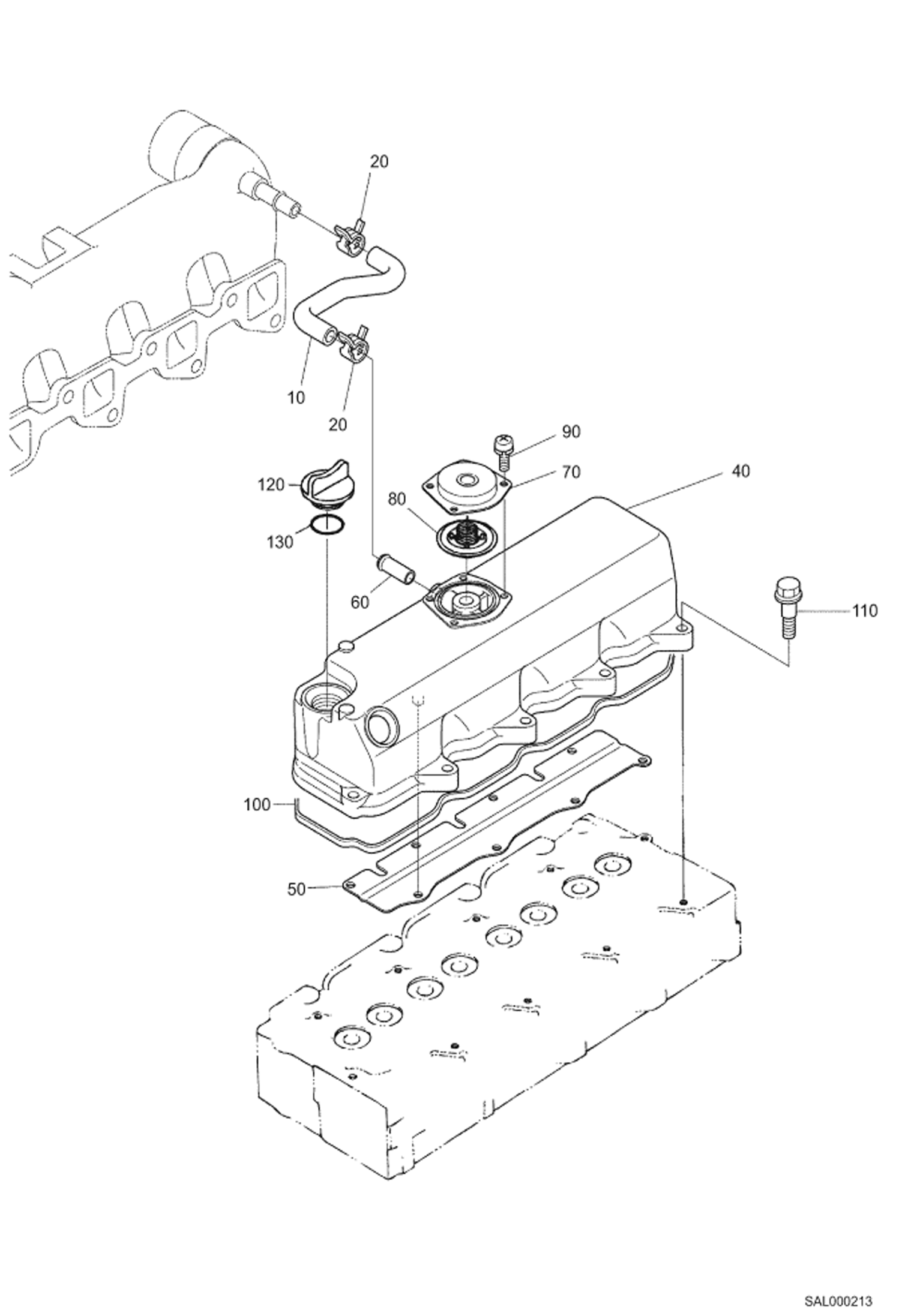
HEAD COVER
№
Артикул
Название
Примечание
Количество
10
6685524
TUBE, BREATHER
20
6689423
BAND, PIPE
40
6689521
ASSY COVER, CYL HEAD Includes Ref. 50 to 90
50
SHIELD NLA - breather - Order Ref. 40 - Was 6684779 - A
60
6689484
PIPE, WATER RETURN
70
6969803
COVER, BREATHER
80
6685087
VALVE
90
3974928
W/WASHER
100
6689545
GASKET, HEAD COVER
110
6684781
BOLT
120
6689432
PLUG, OIL FILLER
130
6684782
O-RING
Выбрано товаров: 0