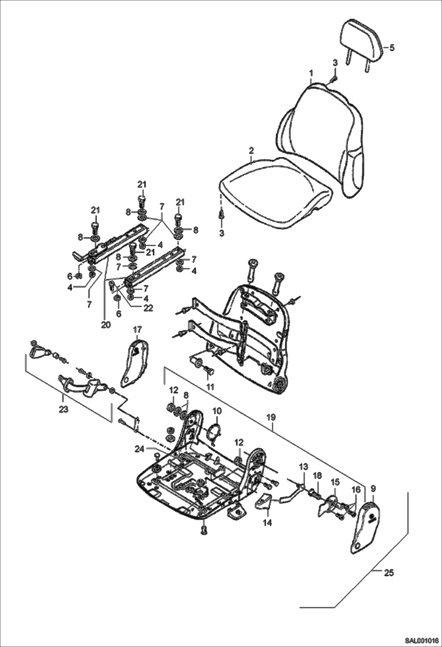
Запчасти Bobcat AL350 SEAT MAIN FRAME

Схема запчастей Bobcat AL350 - SEAT MAIN FRAME
FIT
1:1
100%

Артикул

Название

Примечание

Количество

1

5305670235

CUSHION, BACK OF SEAT

2

5305670236

CUSHION, SEAT

3

5305670026

BOLT M 5X16

4

5305670106

NUT M 8

5

5305670007

HEADREST

6

1210707011

NUT M 8

7

5305670104

WASHER 8,4

8

5305670200

WASHER 8,4

9

5305670280

COVER

10

5305670244

SPRING

11

1008707019

BOLT

12

1212251011

NUT M8

13

5305670035

LEVER

14

5305670036

HANDLE

15

5305670037

ADAPTER PLATE

16

5305670038

BOLT M 6X10

17

5305670282

COVER RIGHT

18

5305670152

BOLT M 8X35

19

5305670247

ADJUSTING, BACK REST W/Ref. 8, 10-16, 18

20

5305670241

ADJUST. RAIL

21

1008707817

BOLT M8X16

22

5305670234

BOLT M 8X16

23

5305670217

LAP BELT MIT RETRAKTOR

24

5305661676

NUT M 8

25

5305661730

OPERATOR'S SEAT W/Ref. 1-23

Выбрано товаров: 25