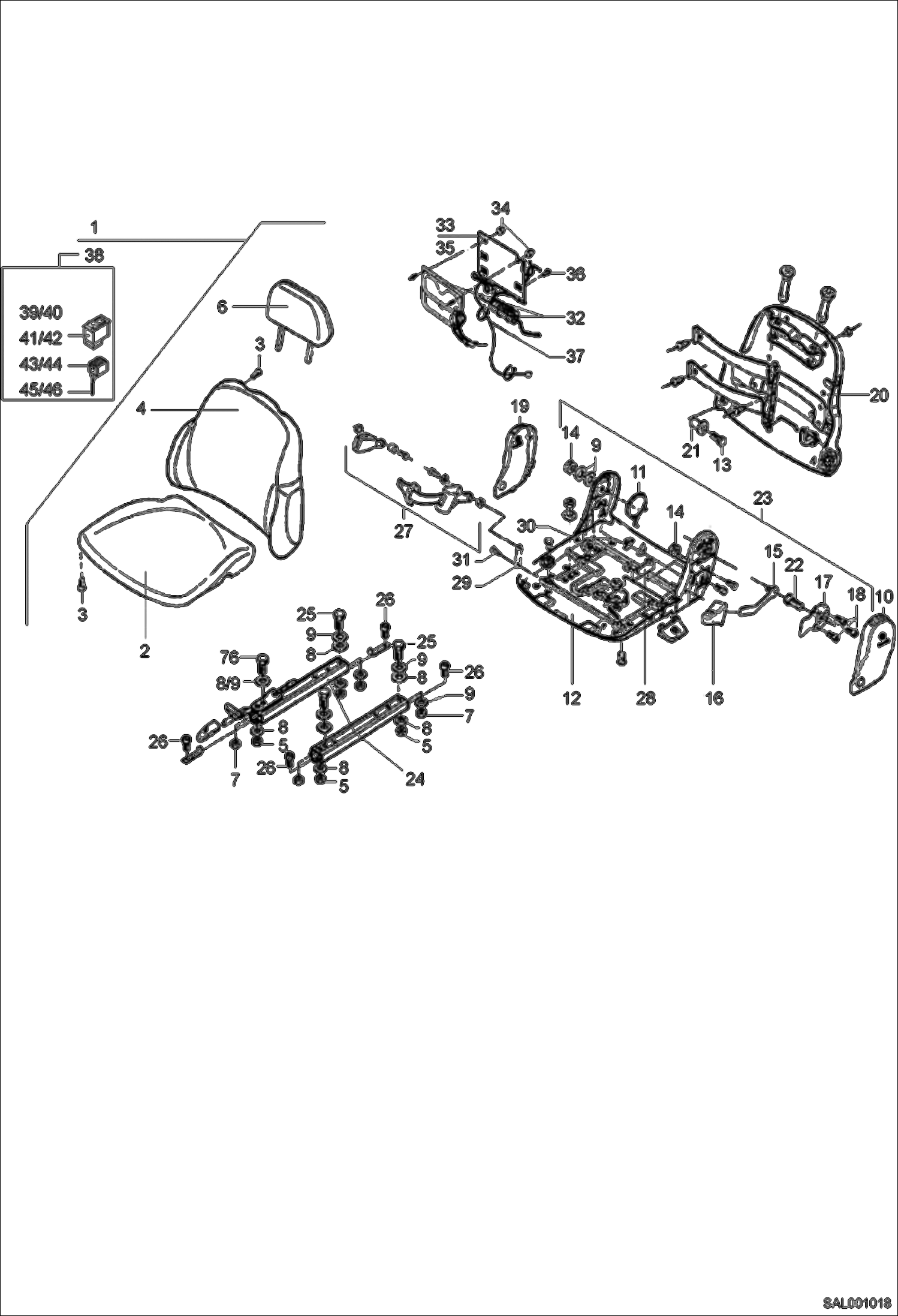
Запчасти Bobcat AL350 SEAT WITH VERTEBRA SUPPORT - MSG 95 MAIN FRAME

Схема запчастей Bobcat AL350 - SEAT WITH VERTEBRA SUPPORT - MSG 95 MAIN FRAME
FIT
1:1
100%

Артикул

Название

Примечание

Количество

1

5305661764

OPERATOR'S SEAT W/Ref. 2

2

5305670236

CUSHION, SEAT

3

1008707909

BOLT M 5X16

4

5305670235

CUSHION, BACK OF SEAT

5

5305670106

NUT M 8

6

5305670007

HEADREST

7

1210707011

NUT M 8

8

5305670104

WASHER 8,4

9

5305670200

WASHER 8,4

10

5305670280

COVER

11

5305670244

SPRING

12

5305670281

SEAT BRACKET

13

1008707019

BOLT

14

1212251011

NUT M8

15

5305670035

LEVER

16

5305670036

HANDLE

17

5305670037

ADAPTER PLATE

18

5305670038

BOLT M 6X10

19

5305670282

COVER RIGHT

20

5305670283

PLATE

21

5305670284

BUSHING

22

5305670152

BOLT M 8X35

23

5305670247

ADJUSTING, BACK REST W/Ref. 9, 11, 13-18, 21-22

24

5305670241

ADJUST. RAIL

25

1008707817

BOLT M8X16

26

5305670234

BOLT M 8X16

27

5305661715

LAP BELT

28

5305670285

BRACKET

29

5305670286

BRACKET

30

5305661676

NUT M 8

31

1008707019

BOLT

32

5305670287

VERTEBRA SUPPORT

33

5305670288

PLATE

34

5305670029

STOP

35

5305670151

COVER

36

5305670134

RIVET

37

535670030

HARNESS, WIRE Was 5305670289 - A

38

6451313000

SEAT HEATING W/Ref. 39-46

39

5305670238

PAD W/Ref. 38

40

5305670239

HEADREST W/Ref. 38

41

5050650236

SWITCH W/Ref. 38

42

5358650324

SYMBOL W/Ref. 38

43

5050650225

HOUSING W/Ref. 38

44

5350246805

TERMINAL FEMALE W/Ref. 38

45

5653245100

CABLE W/Ref. 38

46

5653245600

CABLE W/Ref. 38

Выбрано товаров: 46