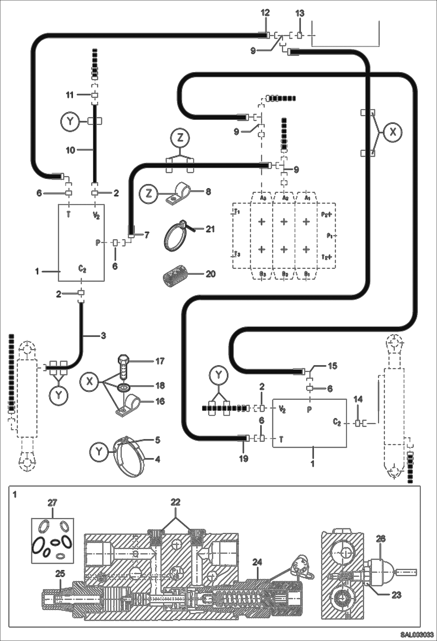
Запчасти Bobcat AL350 LOAD CHECK VALVE HYDRAULIC INSTALLATION

Схема запчастей Bobcat AL350 - LOAD CHECK VALVE HYDRAULIC INSTALLATION
FIT
1:1
100%

Артикул

Название

Примечание

Количество

1

5167659802

LOAD CHECK VALVE

2

1915000633

FITTING

3

0460763006

TUBE

4

5660095400

HOSE CLIP 110-130

5

0110012050

RUBBER LAYER

6

1915000753

FITTING

7

4506305371

HOSE

8

5000210410

HOSE CLIP

9

1919000689

FITTING

10

0461763008

TUBE

11

0461763008

TUBE

12

4506290351

HOSE

13

1915000641

FITTING

14

1938000834

FITTING

15

4506366351

HOSE

16

5000136800

HOSE CLIP 19,0

17

1007707214

BOLT M 6X45

18

1343707055

WASHER 6,4

19

4106380351

HOSE

20

5000068300

WIRING HARNESS

21

5653093560

BINDER 4,8X200

22

1912060451

PLUG

23

5167660073

BOLT

24

5167660074

VALVE INSERT

25

5167660075

VALVE INSERT

26

5167660055

ANTI-CAVITY VALVE

27

5167660077

SET OF SEALS

Выбрано товаров: 27