Запчасти Bobcat AL350 PUMPS MOUNTING HYDRAULIC INSTALLATION

Схема запчастей Bobcat AL350 - PUMPS MOUNTING HYDRAULIC INSTALLATION
FIT
1:1
100%

Артикул

Название

Примечание

Количество

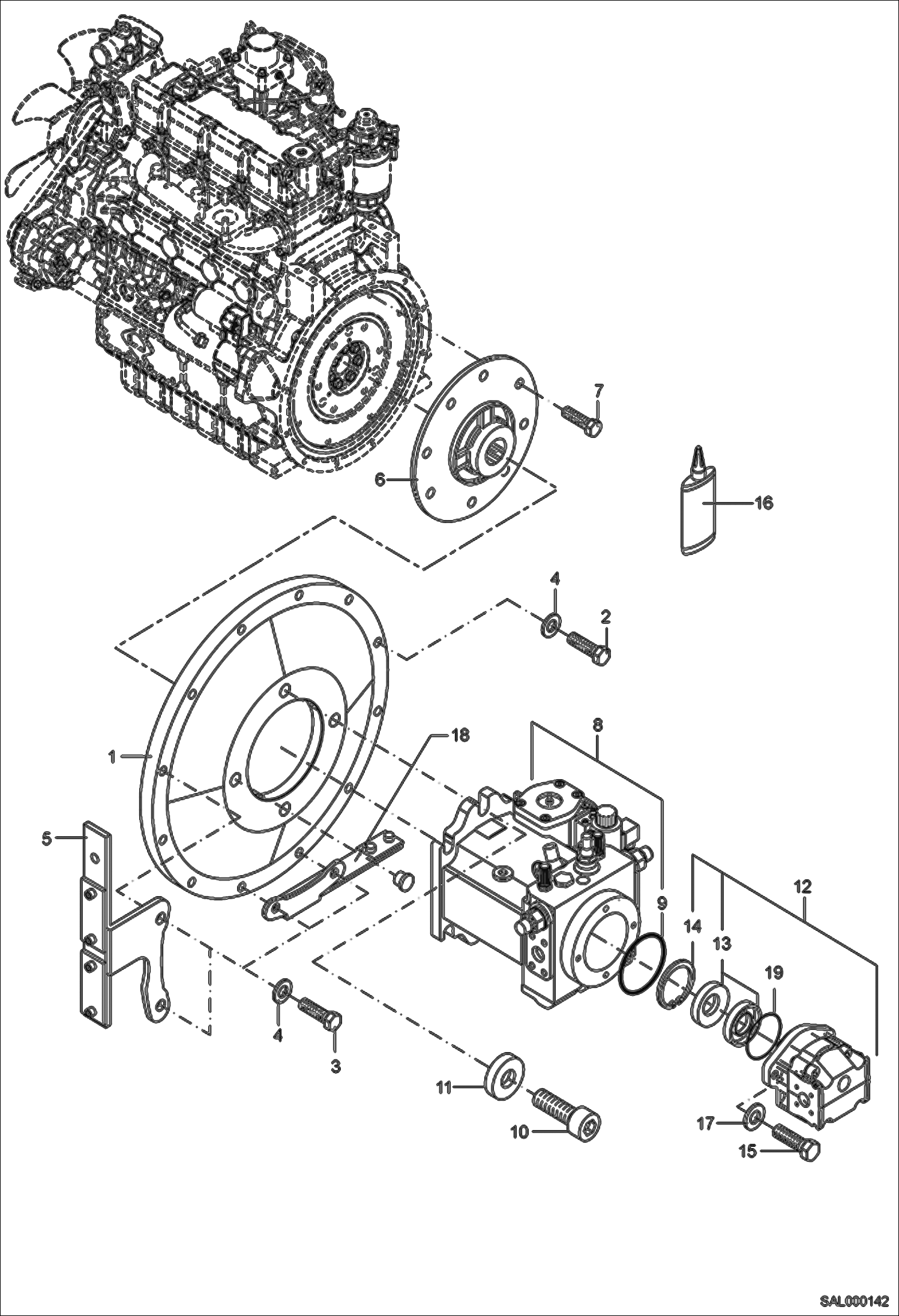
1

5105660759

FLANGE

2

1011707247

BOLT Secure with LOCKTITE 242

3

1011707347

BOLT Secure with LOCKTITE 242

4

1290707020

WASHER

5

6451017005

BRACKET

6

5105660757

COUPLING

7

1011707147

BOLT Secure with LOCKTITE 242

8

5364662425

VARIABLE DISPLACEMENT PUMP Includes Ref. 9

9

1971956233

O-RING Was 1971956116 - B,D

10

1045707141

BOLT Secure with LOCKTITE 242

11

0396017002

WASHER

12

5100620054

GEAR TYPE PUMP Includes Ref. 13 + 14

13

5100659048

SHAFT SEAL

14

5100659049

CIRCLIP

15

1008707030

BOLT Secure with LOCKTITE 242

16

MCS001035A

GLUE

17

1290707022

WASHER

18

6452817010

BRACKET

19

1971956230

O-RING

Выбрано товаров: 0