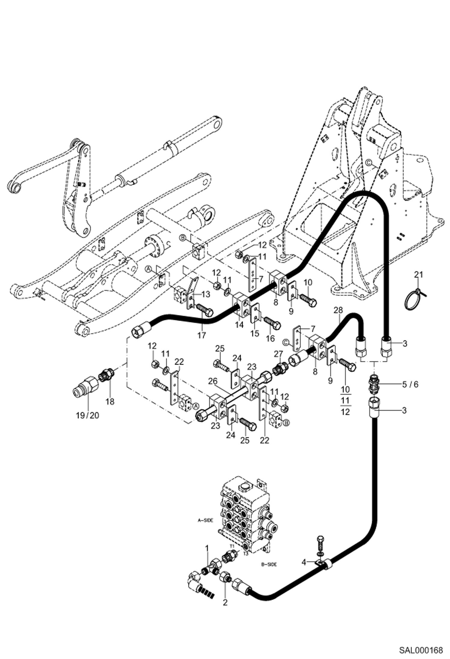
Запчасти Bobcat AL350 PRESSURELESS RETURN LINE HYDRAULIC INSTALLATION

Схема запчастей Bobcat AL350 - PRESSURELESS RETURN LINE HYDRAULIC INSTALLATION
FIT
1:1
100%

Артикул

Название

Примечание

Количество

1

1919000693

FITTING

2

1934000742

FITTING

3

4120177189

HOSE

4

5000210410

HOSE CLIP

5

1913000043

FITTING

6

1290707046

WASHER

7

6464750003

BRACKET

8

5660199803

CLIP

9

5660200140

COVER PLATE

10

1007707514

BOLT

11

1343707055

WASHER

12

1212251009

NUT

13

0451250003

BRACKET

14

5660199632

CLIP

15

5660200150

COVER

16

1007707814

BOLT

17

1007707214

BOLT

18

5000009100

HOSE CONNECTOR

19

5000105100

COUPLING PLUG

20

5000106000

DUST CAP

21

5653093560

BINDER

22

6451250502

BRACKET

23

5660199787

HOSE CLIP

24

5660200130

COVER

25

1007707414

BOLT

26

6451250503

PIPE

27

1915000428

FITTING

28

4120125189

HOSE

Выбрано товаров: 0