Запчасти Bobcat AL440 FRONT CHASSIS MAIN FRAME

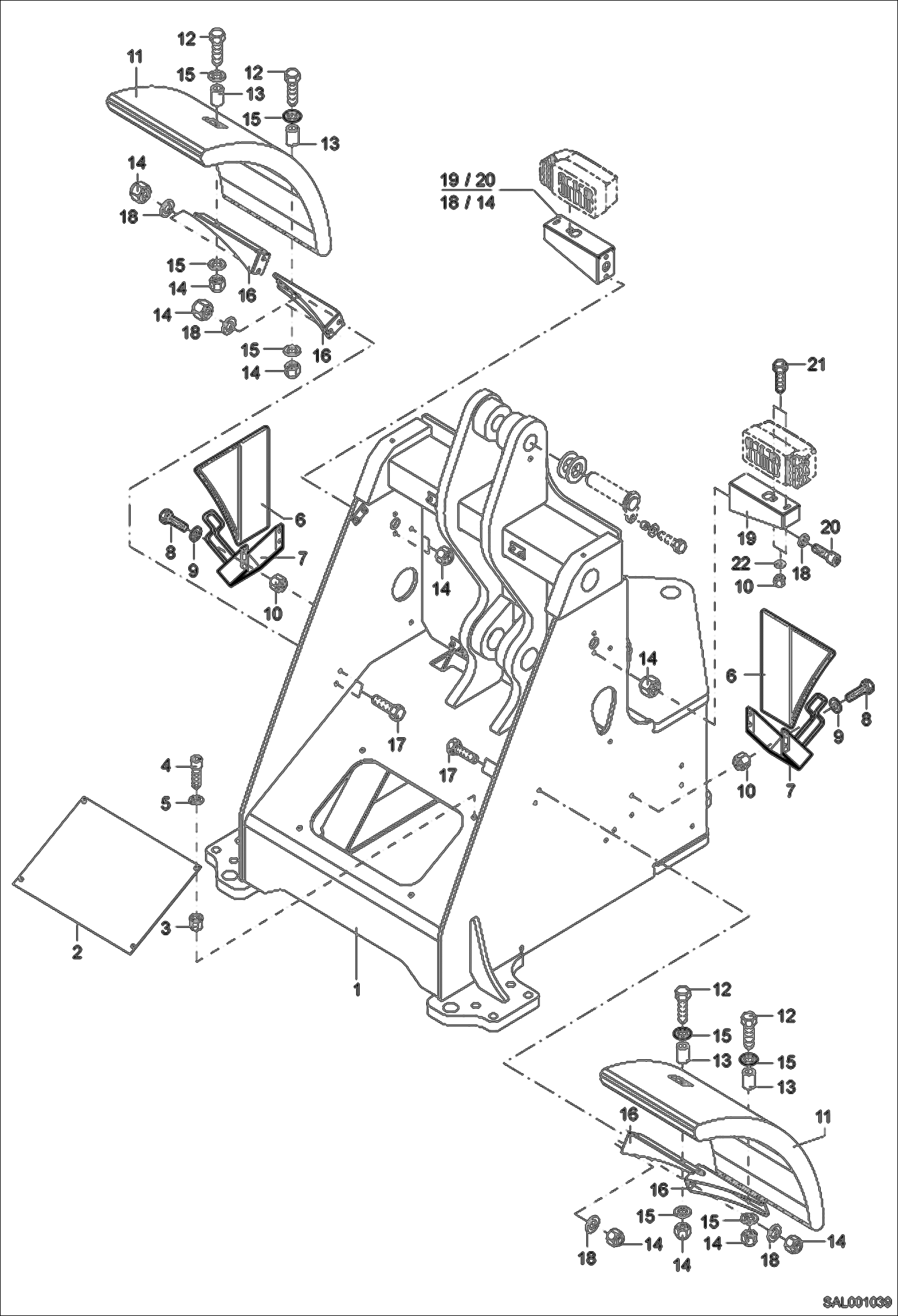
Схема запчастей Bobcat AL440 - FRONT CHASSIS MAIN FRAME
FIT
1:1
100%

Артикул

Название

Примечание

Количество

1

6453001001

FRONT CHASSIS

2

6337502011

COVER

3

1945707009

NUT M 6

4

1045707713

PAN HEAD SCREW M 6X30

5

1307707014

WASHER 6,4

6

5816640001

CHOCK

7

5816640002

BRACKET

8

1008707318

BOLT

9

1290707018

WASHER

10

1212251011

NUT M 8

11

5267010056

MUD GUARD

12

1008707424

BOLT M 10X40

13

0188814218

SPACE BUSHING

14

1212251013

NUT M 10

15

1307707020

WASHER 10,5

16

6451002031

BRACKET

17

1008707324

BOLT M 10X35

18

1290707020

WASHER 10,5

19

6461403002

LIGHT HOLDER

20

1045707124

BOLT M 10X30

21

1008707618

BOLT M8X30

22

1343707057

WASHER 8,4

Выбрано товаров: 0