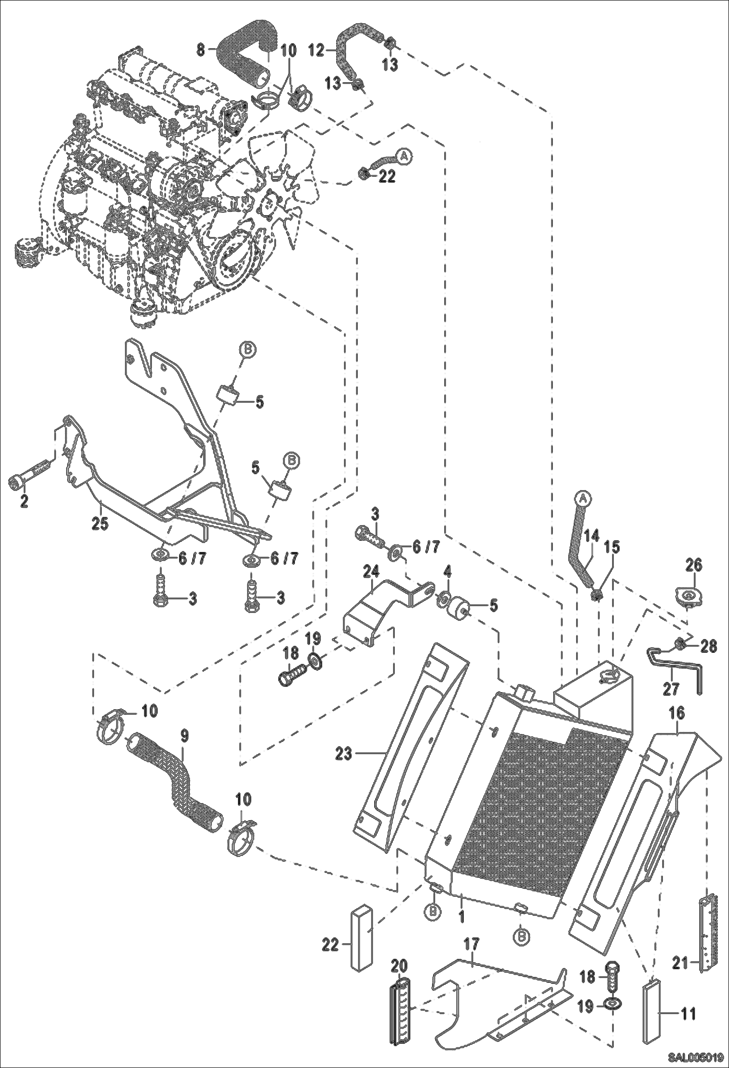
Запчасти Bobcat AL440 COMBINED COOLER POWER UNIT

Схема запчастей Bobcat AL440 - COMBINED COOLER POWER UNIT
FIT
1:1
100%

Артикул

Название

Примечание

Количество

1

5010672035

COMBINED COOLER

2

1045977536

BOLT M 14X65

3

1008707923

BOLT M 10X35

4

1299707020

WASHER

5

5566647688

RUBBER BASE

6

1307707020

WASHER 10,5

7

1343707059

WASHER 10,5X25X4

8

5803655657

HOSE

9

5803655658

HOSE

10

5660095305

HOSE CLIP

11

5354640120

RUBBER

12

5803655659

ELBOW

13

5660199200

HOSE CLIP 20 - 32

14

5803277008

HOSE

15

5603320320

HOSE CLIP

16

0453015150

SEALING PLATE

17

0453015148

SEALING PLATE

18

1008707018

BOLT M 8X20

19

1343707057

WASHER 8,4

20

5354600030

SEALING SECTION

21

5354600028

SEALING SECTION

22

0453015057

SOUND INSULATOR

23

0453015152

SEALING PLATE

24

6453015146

BRACKET

25

6453015141

BRACKET

26

5010663090

CAP

27

4035107000

HOSE

28

5603320317

CLIP

Выбрано товаров: 28