Качественные детали и логистика
Оригинальные и аналоговые запчасти с доставкой по России, Казахстану и Беларуси
©2022 PartSell ООО "Система" ИНН 2463123282 ОГРН 1212400004838
Центральный офис: г. Красноярск, Академика Киренского, д.87, пом.4
Телефон: 8 (800) 777-65-74 Email: zakaz@partsell.ru
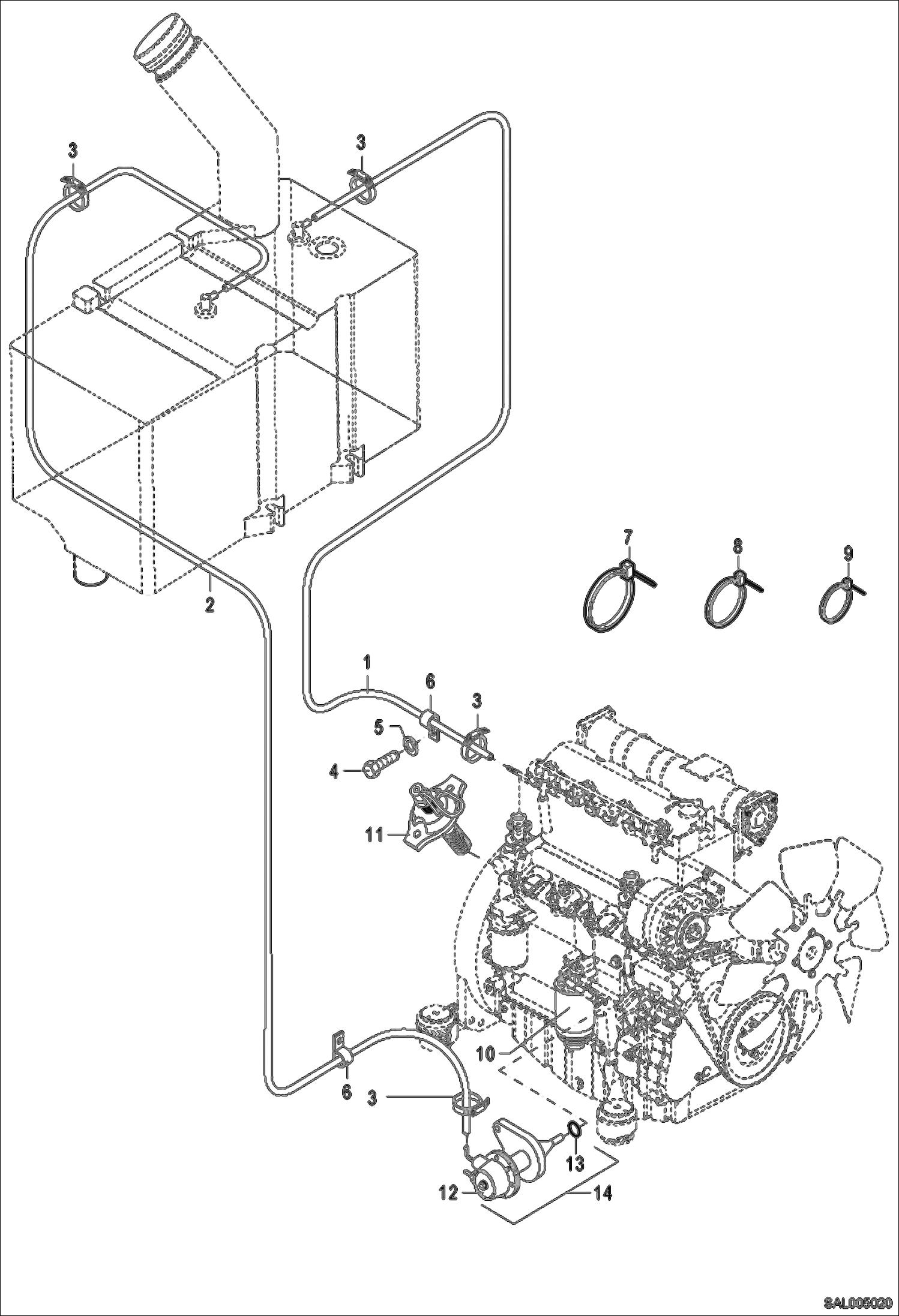
FUEL SUPPLY
№
Артикул
Название
Примечание
Количество
1
0453015022
HOSE
2
0453015023
3
5603320317
CLIP
4
1008707213
BOLT M 6X20
5
1343707055
WASHER 6,4
6
5000095200
HOSE CLIP
7
5350650280
BINDER
8
5653093560
9
5350650294
BINDER 2,5X142
10
5411656301
FUEL FILTER
11
FUEL INJECTION PUMP
12
5411663652
FUEL PUMP
13
5411663245
O-RING
14
REPAIR KIT (FUEL SUPPLY PUMP)
Выбрано товаров: 0