Запчасти Bobcat AL440 AXLE, TIRES 36 km/h Fast Travel Version DRIVE SYSTEM

Схема запчастей Bobcat AL440 - AXLE, TIRES 36 km/h Fast Travel Version DRIVE SYSTEM
FIT
1:1
100%

Артикул

Название

Примечание

Количество

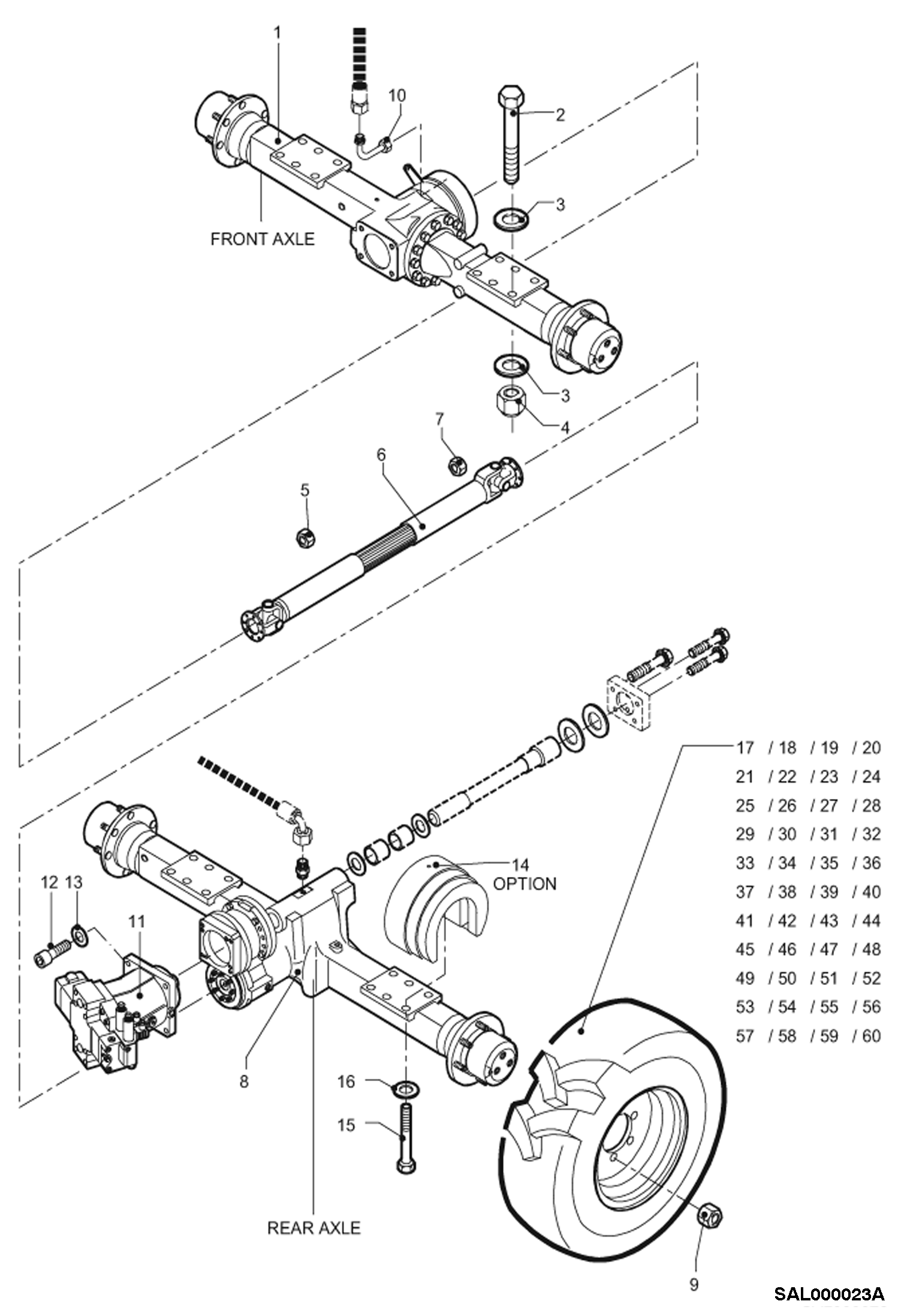
1

5904661685

FRONT AXLE

2

1007707553

BOLT

3

1290707033

WASHER

4

1212251018

NUT

5

1214907013

NUT

6

5200655210

CARDAN SHAFT

7

1214907013

NUT

8

5904661695

REAR AXLE

9

1270707618

NUT

10

5904660751

BRAKE LINE

11

5364664190

VARIABLE MOTOR

12

1045707430

BOLT

13

1290707022

WASHER

14

6454219002

REAR AXLE WEIGHT

15

1008707241

BOLT

16

1343707065

WASHER

17

6337294000

WHEEL 16/70-20 10PR MPT; Includes Ref. 18 to 20

18

5153643500

TIRE D. 16/70-20 EM E91/2 TL 10PR

19

5307656027

RIM

20

5153643505

VALVE

21

6337295000

WHEEL R 14.5-20MPT 10PR; Includes Ref. 22 to 24

22

TIRE R 14.5-20 TL TG NYLON E91-2 10PR NLA - R 14.5-20 TL TG NYLON E91-20 10PR - Was 5153638700 - A

23

5307586170

RIM

24

5153643505

VALVE

25

6337296000

WHEEL 405/70 R20 TL L; Includes Ref. 26 to 28

26

5153658393

TIRE DUNLOP 405/70 R20 SP T9 TL L

27

5307656027

RIM

28

5153643505

VALVE

29

6337296500

WHEEL 375/ 75 R20 XM 27TL; Includes Ref. 30 to 32

30

5153644460

TIRE MICHELIN 375/75 R20XM27 143B TL

31

5307586170

RIM

32

5153643505

VALVE

33

6337293000

WHEEL 12.5-20 TG3210PR; Includes Ref. 34 to 36

34

TIRE NLA - 12.5-20 TG32 MPT NYTL 10PR - Was 5153632150 - A

35

5307586170

RIM

36

5153643505

VALVE

37

6337293500

WHEEL 335/80 R20 XM27TL; Includes Ref. 38 to 40

38

5153658387

TIRE MICHELIN 335/80R20XM27141B TL

39

5307586170

RIM

40

5153643505

VALVE

41

6337294500

WHEEL 405/70 R20 XM27TL; Includes Ref. 42 to 44

42

5153658391

TIRE MICHELIN 405/70 R20XM27 143B TL

43

5307586170

RIM

44

5153643505

VALVE

45

6337293000

WHEEL 12.5-20 10PR; Includes Ref. 46 to 48

46

TIRE NLA - 12.5-20 TG32 MPT NYTL 10PR - Was 5153632150 - A

47

5307586170

RIM

48

5153643505

VALVE

49

6337295600

WHEEL 14.5-20MPT 10PR; Includes Ref. 50 to 52

50

TIRE DUNLOP 14.5-20 TL 10TR E91 DUNLOP 14.5-20 TL 10TR E91 - Was 5153661127

51

5307586170

RIM

52

5153643505

VALVE

53

6462793500

WHEEL 16/70-20EM-E91/2; Includes Ref. 54 to 56

54

5153643500

TIRE D.16/70-20 EM E91/2 TL 10PR

55

5307656027

RIM

56

5153643505

VALVE

57

6337297000

WHEEL Includes Ref. 58 to 60

58

5153661150

TIRE DUNLOP 365/80R20TL SPT9

59

5307586170

RIM

60

5153643505

VALVE

Выбрано товаров: 60