Запчасти Bobcat AL440 COMBINED OIL COOLER POWER UNIT

Схема запчастей Bobcat AL440 - COMBINED OIL COOLER POWER UNIT
FIT
1:1
100%

Артикул

Название

Примечание

Количество

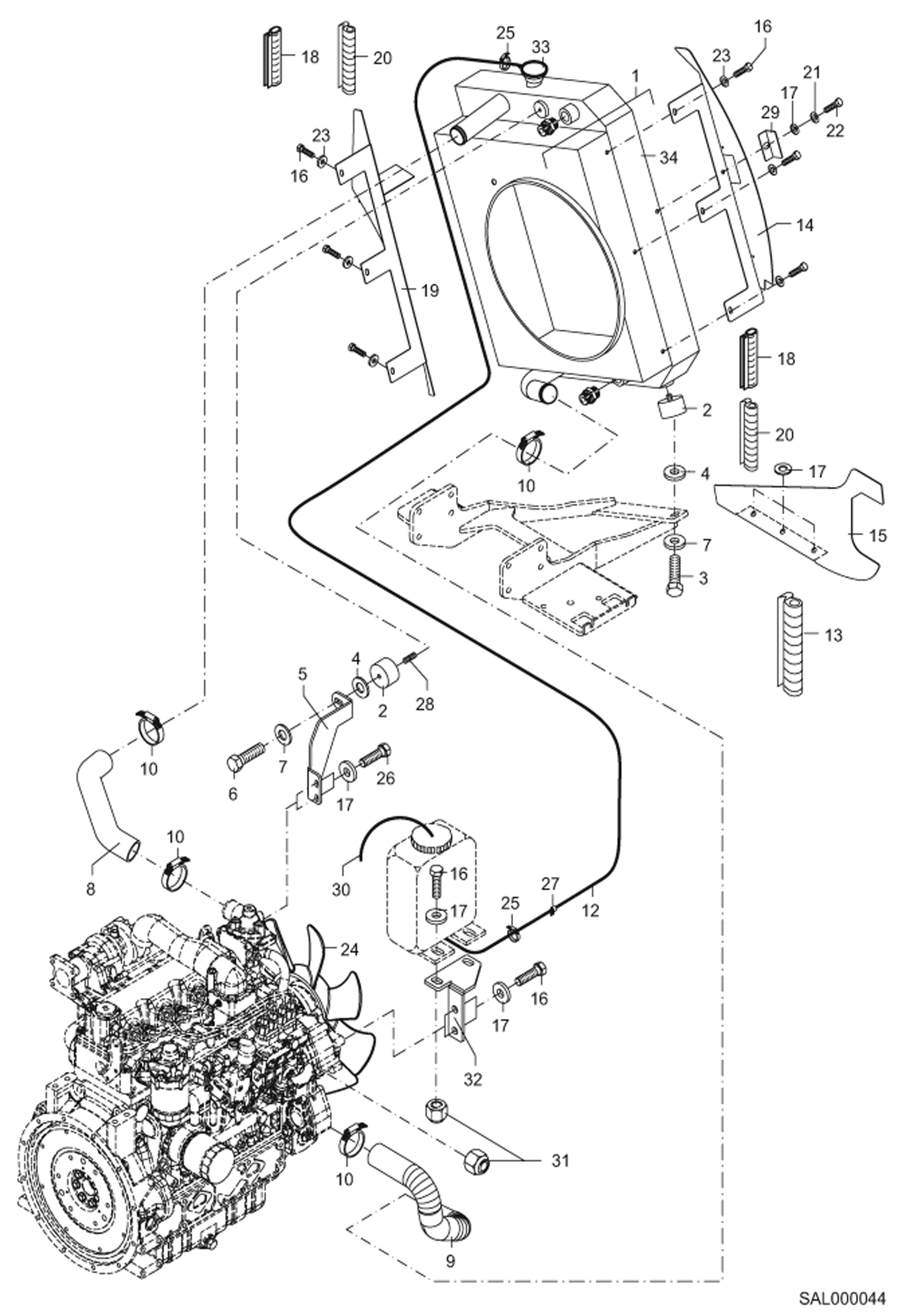
1

5010661070

COMBI RADIATOR COOLER

2

BEARING NLA - Was 5101290966 - A

3

1008707923

BOLT

4

1307707020

WASHER

5

0453815042

BRACKET

6

1008707623

BOLT

7

1343707059

WASHER

8

5803655603

HOSE

9

5803655605

HOSE

10

5660095305

HOSE CLIP

12

0465515052

HOSE

13

7023313

SEALING SECTION - A

14

0453815050

PLATE

15

0453815048

PLATE

16

1008707018

BOLT

17

1343707057

WASHER

18

5354600030

SEALING SECTION

19

0453815045

PLATE

20

5354600028

SEALING SECTION

21

1290707025

WASHER

22

1008707517

BOLT

23

SPRING WASHER

24

5081657506

FAN

25

5603320320

HOSE CLIP

26

1008707318

BOLT

27

5000095200

HOSE CLIP

28

1133341623

STUD

29

0453815052

ANGLE

30

4035107000

HOSE

31

1212251011

NUT

32

0453815043

BRACKET

33

5010663093

VENTILATOR COVER

34

5010663091

CAP

Выбрано товаров: 33