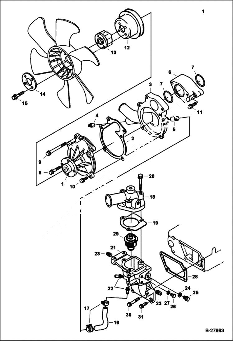
Запчасти Bobcat WL440 WATER PUMP & THERMOSTAT (Kubota) POWER UNIT

Схема запчастей Bobcat WL440 - WATER PUMP & THERMOSTAT (Kubota) POWER UNIT
FIT
1:1
100%

Артикул

Название

Примечание

Количество

1

6689344

ASSY PUMP, WATER

2

6680853

GASKET

3

6689345

ASSY SUPPORT W/P W/Ref. 4 & 5

4

6689200

PLUG

5

6680689

ADAPTER

6

6689347

SUPPORT, WATER PUMP

7

6680855

O-RING

8

6680856

BOLT

9

6689191

BOLT, FLANGE

10

6680706

BOLT

11

6689192

BOLT, FLANGE

12

6689348

PULLEY, FAN

13

6689230

COLLAR, FAN

14

6680858

WASHER

15

6680687

BOLT

16

6689346

PIPE, WATER RETURN

17

6675618

CLAMP

18

6685954

COVER

19

6685955

GASKET

20

6680851

BOLT

21

6689329

COMP FLANGE, WATER W/Ref. 22

22

6680646

ADAPTER

23

6689370

PLUG

24

3974885

WASHER

25

3974884

PLUG

26

7000607

PLUG

27

6698120

GASKET

28

6680849

GASKET

29

6680850

THERMOSTAT

30

6680845

BOLT

31

6680755

BOLT

Выбрано товаров: 31