Качественные детали и логистика
Оригинальные и аналоговые запчасти с доставкой по России, Казахстану и Беларуси
©2022 PartSell ООО "Система" ИНН 2463123282 ОГРН 1212400004838
Центральный офис: г. Красноярск, Академика Киренского, д.87, пом.4
Телефон: 8 (800) 777-65-74 Email: zakaz@partsell.ru
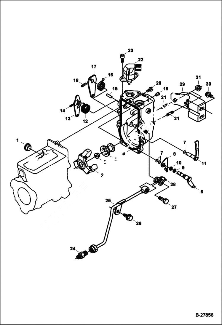
GOVERNOR (Kubota)
№
Артикул
Название
Примечание
Количество
1
6680757
COVER
2
6698600
WEIGHT, GOVERNOR
3
6680759
NUT
4
6680761
SLEEVE
5
6680762
HOUSING
6
6680763
LEVER
7
6683023
O-RING
8
6680764
9
6680765
SNAP RING
10
3974524
WASHER
11
6680770
12
6693488
SPRING Was 6685938 - A
13
6685939
14
6680769
PIN
15
6680775
16
6598702
SPRING
17
6680772
18
19
6652592
20
6680830
BOLT
21
6680828
STUD
22
6689034
SOLENOID, SHUTOFF FUEL 3-pin connector
23
6680750
SCREW
24
6680904
ADAPTER
25
6680905
TUBE
26
7008591
27
6680900
28
6685962
WASHER, SEALING ALUMINUM
29
6680907
BRACKET
30
7008584
BOLT, FLANGE
31
6969819
NUT, FLANGE
Выбрано товаров: 0