Качественные детали и логистика
Оригинальные и аналоговые запчасти с доставкой по России, Казахстану и Беларуси
©2022 PartSell ООО "Система" ИНН 2463123282 ОГРН 1212400004838
Центральный офис: г. Красноярск, Академика Киренского, д.87, пом.4
Телефон: 8 (800) 777-65-74 Email: zakaz@partsell.ru
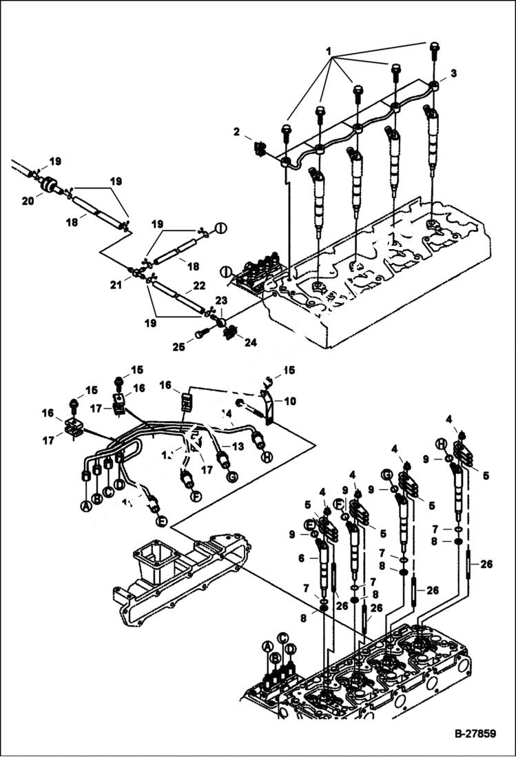
NOZZLE HOLDER AND GLOW PLUG (Kubota)
№
Артикул
Название
Примечание
Количество
1
6680788
BOLT
2
6685498
GASKET
3
6680787
PIPE
4
6969819
NUT, FLANGE
5
6680780
CLAMP
6
6685854
INJECTOR
7
6670769
O-RING
8
6680779
9
6680778
10
6689326
STAY, INJECTION PIPE
11
6689290
PIPE, INJECTION
12
6689291
13
6689292
14
6689293
15
3974260
SCREW
16
6652689
17
6652688
18
6685944
HOSE
19
6654718
20
6680796
VALVE
21
6680797
TEE
22
6689295
TUBE, FUEL
23
6680790
FITTING
24
6698528
WASHER, SEALING
25
7022765
BOLT, EYE Was 6680791 - A
26
6680867
STUD
Выбрано товаров: 0