Запчасти Bobcat WL440 FUEL FILTERS (Kubota) POWER UNIT

Схема запчастей Bobcat WL440 - FUEL FILTERS (Kubota) POWER UNIT
FIT
1:1
100%

Артикул

Название

Примечание

Количество

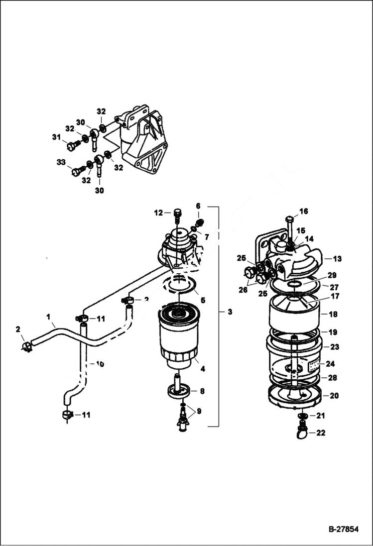
1

6689202

TUBE, FUEL

2

6680274

CLAMP

3

6689335

ASSY FILTER, FUEL assy - Ref. 4-9

4

6689336

KIT ELEMENT

5

7008670

GASKET

6

6689340

PLUG

7

6689204

O RING

8

6689341

PLUG

9

6689339

ASSY COCK, DRAIN

10

6689201

TUBE, FUEL

11

6680274

CLAMP

12

6680654

BOLT

13

6689212

SEDIMENTER Ref. 14-19

14

6689224

O RING

15

6689221

WASHER, PLAIN

16

BOLT, CENTRE Was 6689218 - A

17

6689213

ELEMENT

18

6689214

BODY, SEDIMENTER

19

6689210

STUD

20

SEDIMENTER BOTTOM NLA - Order Ref. 13

21

6689225

WASHER, PLAIN

22

6689209

PLUG, DRAIN

23

6689208

BODY, FILTER

24

6689220

LABEL, SEDIMENTER

25

6689219

WASHER

26

6689222

BOLT, EYE JOINT

27

6689211

GASKET

28

6689206

GASKET

29

6689223

O RING

30

6689207

PIPE

31

7008612

BOLT, JOINT

32

6683142

GASKET

33

7008611

BOLT, EYE JOINT

Выбрано товаров: 33