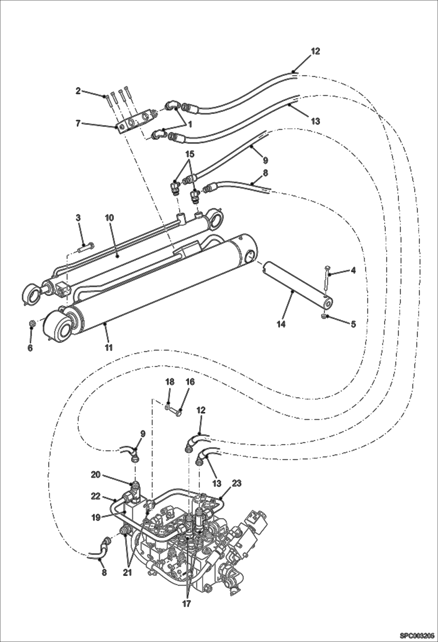
Запчасти Bobcat T2250 HYDRAULIC CIRCUITRY (Lift Cylinder, Compensation Cylinder) (S/N AC1911001 - 11251) HYDRAULIC SYSTEM

Схема запчастей Bobcat T2250 - HYDRAULIC CIRCUITRY (Lift Cylinder, Compensation Cylinder) (S/N AC1911001 - 11251) HYDRAULIC SYSTEM
FIT
1:1
100%

Артикул

Название

Примечание

Количество

1

010370-93A

ELBOW PIECE

2

46240.8

SCREW

3

1CM1470

BOLT Was 52294.6 - A

4

7CM10100

SCREW HEX Was 65397.2 - A

5

100345-09A

NUT

6

100345-14F

NUT

7

6918850

VALVE, SAFETY See Illustration SAFETY VALVE/ EM6303

8

6920198

HOSE

9

6920218

HOSE

10

6920426

RAM See Illustration COMPENSATION CYLINDER/ SPC003131

11

6920427

LIFTING RAM See Illustration LIFT CYLINDER/ SPC003213

12

6920958

HOSE

13

6920959

HOSE

14

6965126

SPINDLE

15

17KB0608

FITTING, HYD ELBOW Was 17KB608 - D

16

01579.2

Screw

17

008372-02C

UNION

18

89519.3

Washer

19

7168745

VALVE, SELF LEVELLING Was 98235.5 - C

20

100372-22Z

UNION

21

100375-38S

UNION

22

6936330

HOSE HYDRAULIC ASSY Was 6921921 - A

23

6936316

HOSE HYDRAULIC ASSY Was 6922203

Выбрано товаров: 23