Качественные детали и логистика
Оригинальные и аналоговые запчасти с доставкой по России, Казахстану и Беларуси
©2022 PartSell ООО "Система" ИНН 2463123282 ОГРН 1212400004838
Центральный офис: г. Красноярск, Академика Киренского, д.87, пом.4
Телефон: 8 (800) 777-65-74 Email: zakaz@partsell.ru
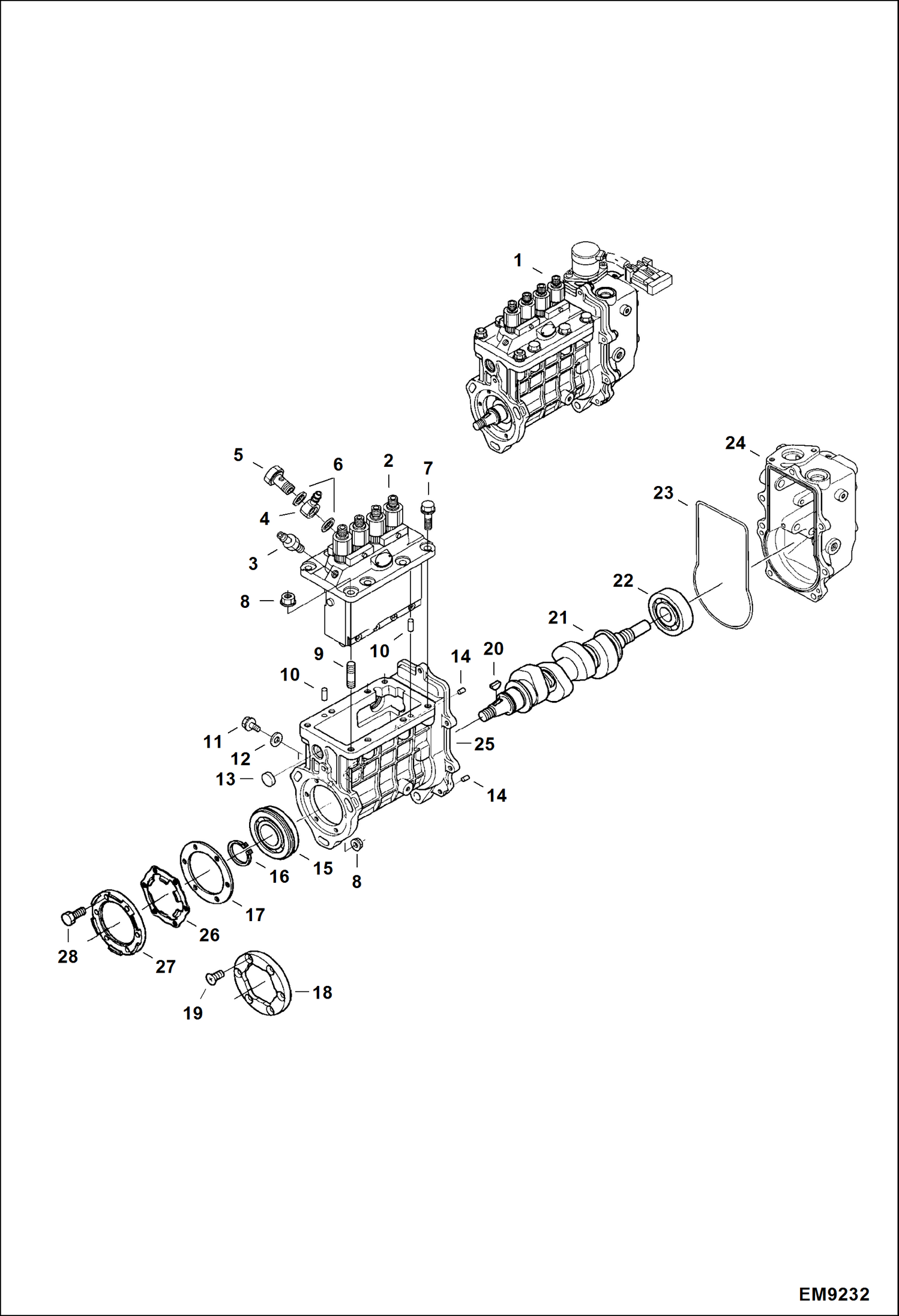
FUEL INJECTION PUMP
№
Артикул
Название
Примечание
Количество
1
7009356
PUMP, FUEL INJ ASSY Was 6698587 - A
2
6698538
PUMP, FUEL INJ
3
6680756
SCREW
4
6655515
JOINT
5
6680752
BOLT
6
3974403
GASKET Was 6599118 - B
7
6680755
8
6969819
NUT, FLANGE
9
6598156
STUD
10
3974394
PIN
11
6680662
12
3974095
MET-GASK
13
6680808
PLUG
14
6680809
15
6698532
BEARING, BALL
16
6698519
CIRCLIP
17
6698531
SPACER, PUMP INJ
18
6698530
STOP, CAMSHAFT
19
6698518
20
6680813
KEY
21
6698529
CAMSHAFT, FUEL
22
6680812
BEARING
7010145
23
6680829
GASKET
24
GOVERNOR See Illustration GOVERNOR/ EM9233
25
6698537
HOUSING, PUMP INJ
26
7020953
RETAINER
27
7020954
28
4CM620
Выбрано товаров: 0