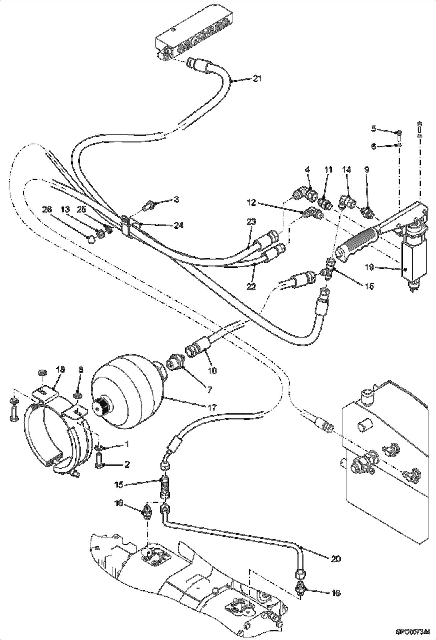
Запчасти Bobcat T2250 HYDRAULIC CIRCUITRY (Parking Brake W/Accumulator) (S/N AC1911001 - 11251) ACCESSORIES & OPTIONS

Схема запчастей Bobcat T2250 - HYDRAULIC CIRCUITRY (Parking Brake W/Accumulator) (S/N AC1911001 - 11251) ACCESSORIES & OPTIONS
FIT
1:1
100%

Артикул

Название

Примечание

Количество

1

000350-02V

WASHER

2

1CM816

BOLT Was 01595.8 - A

3

1CM820

BOLT Was 01596.6 - B

4

008372-01B

ELBOW PIECE

5

10167.5

Screw

6

13416.3

Washer

7

77912.4

Adapter

8

89519.3

Washer

9

90289.0

Union

10

92126.2

Hose

11

96567.3

Union

12

96575.6

ELBOW

13

01681.6

Nut Was 51851.4 - B

14

100370-29P

ELBOW PIECE

15

100372-06G

UNION

16

90289.0

Union Was 100375-17U - B

17

6921150

ACCUMULATOR Was 6911486

18

7225163

CLAMP Was 6923783 - A

19

6916931

HAND BRAKE CONTROL

20

6920559

HYDRAULIC PIPE

21

6920568

HOSE

22

6920570

HOSE

23

6921253

HOSE

24

30H84

CLAMP Was 30H60 - A

25

000350-20Q

WASHER

26

96956.8

Cap

Выбрано товаров: 0