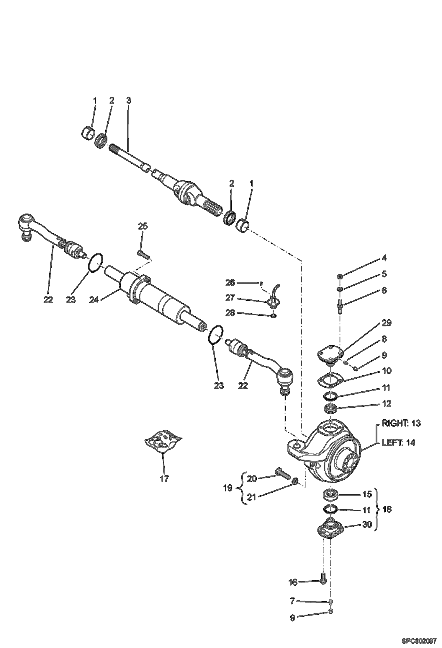
Запчасти Bobcat T2556 STEERING - FRONT AXLE (S/N 363012501 & Above, 363112501 & Above) DRIVE SYSTEM

Схема запчастей Bobcat T2556 - STEERING - FRONT AXLE (S/N 363012501 & Above, 363112501 & Above) DRIVE SYSTEM
FIT
1:1
100%

Артикул

Название

Примечание

Количество

1

6912679

BUSH

2

6912708

SEAL

3

7011980

DOUBLE UNIVERSAL JOINT Was 6912701 - B

4

6912684

NUT

5

6912736

WASHER

6

7010888

STUD Was 6912696 - B

7

6912939

LUBRICATOR Was 6912942 - B

8

6912700

LUBRICATOR

9

6912629

PLUG

10

6912646

SHIM 0,15 mm

10

6912647

SHIM 0,20 mm

10

6912648

SHIM 0,50 mm

11

6912707

SEAL

12

6921515

BUSHING Was 6912680 - A

13

7011191

CASE, STEERING LH - includes (1) of Ref. 1 (6912679 thrust bushing) Was 6912934 - A

14

7011190

CASE, STEERING RH - includes (1) of Ref. 1 (6912679 thrust bushing) Was 6912933 - A

15

6912899

ARTICULATION

16

6912771

SCREW

17

6912976

JEU DE JOINTS serial number listed is the vendor axle serial number

17

7012549

SET OF SEAL serial number listed is the vendor axle serial number

18

6912729

PIVOT W/Ref. 11, 15 & 30

19

6912774

SCREW W/Ref. 20-21

20

6912773

SCREW

21

6912685

NUT

22

6912755

ROD ASSY

23

6912613

O-RING

24

6912760

RAM

25

6912765

SCREW

26

6912766

SCREW

27

6912672

DETECTOR

28

6912719

O'RING

29

6912940

PIVOT

30

PIVOT NAP - Order Ref. 18

Выбрано товаров: 33