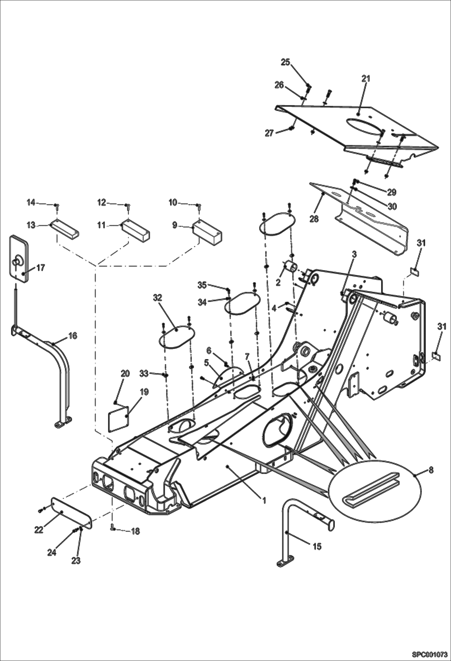
Запчасти Bobcat T2556 FRAME MAIN FRAME

Схема запчастей Bobcat T2556 - FRAME MAIN FRAME
FIT
1:1
100%

Артикул

Название

Примечание

Количество

1

6911488

FRAME

2

7213359

BEARING, SWING Was 77380.4 - A

3

01775.6

Grease Nipple

4

96541.8

Rivet

5

92708.7

Plate

6

01605.5

Screw

7

100345-09A

NUT

8

80919.4

Seal 2500 mm (98.43'') long - sold per foot

9

6914721

STOP 110 MM 110 mm - For 17'' + 18'' tyres Was 85592.4 + 84489 - A

10

01638.6

Screw

11

6914715

STOP 90 MM 90 mm - For 17'' tyres Was 85591.6 + 84489 - A

11

6914715

STOP 90 MM 90 mm - For 20'' tyres Was 85591.6 + 84489 - A

12

01638.6

Screw

13

6914693

STOP 50 MM 50 mm - For 18'' + 20'' tyres Was 82429.2 + 84489 - A

14

01638.6

Screw

15

89097.0

Support

16

89096.2

Support

17

100432-51C

MIRROR, SIDE REAR

18

01606.3

Screw

19

PLATE, SERIAL NO. NAP

20

43824.2

Rivet

21

6922688

REAR COVER Was 6908230 - A

22

6912213

Plate

23

7225260

WASHER Was 89516.9 - A

24

01605.5

Screw

25

01598.2

Screw

26

000350-02V

WASHER

27

01681.6

Nut Was 51851.4 - B

28

6922689

REAR COVER Was 6908272 - A

29

1CM820

BOLT Was 01596.6 - B

30

000350-20Q

WASHER

31

7214281

DECAL, REFLECTIVE Was 59736.9 - A

32

6912204

Plate

33

6914051

Nut

34

01718.6

Washer

35

6914050

Screw

Выбрано товаров: 36