Запчасти Bobcat T2556 ENGINE COVER MAIN FRAME

Схема запчастей Bobcat T2556 - ENGINE COVER MAIN FRAME
FIT
1:1
100%

Артикул

Название

Примечание

Количество

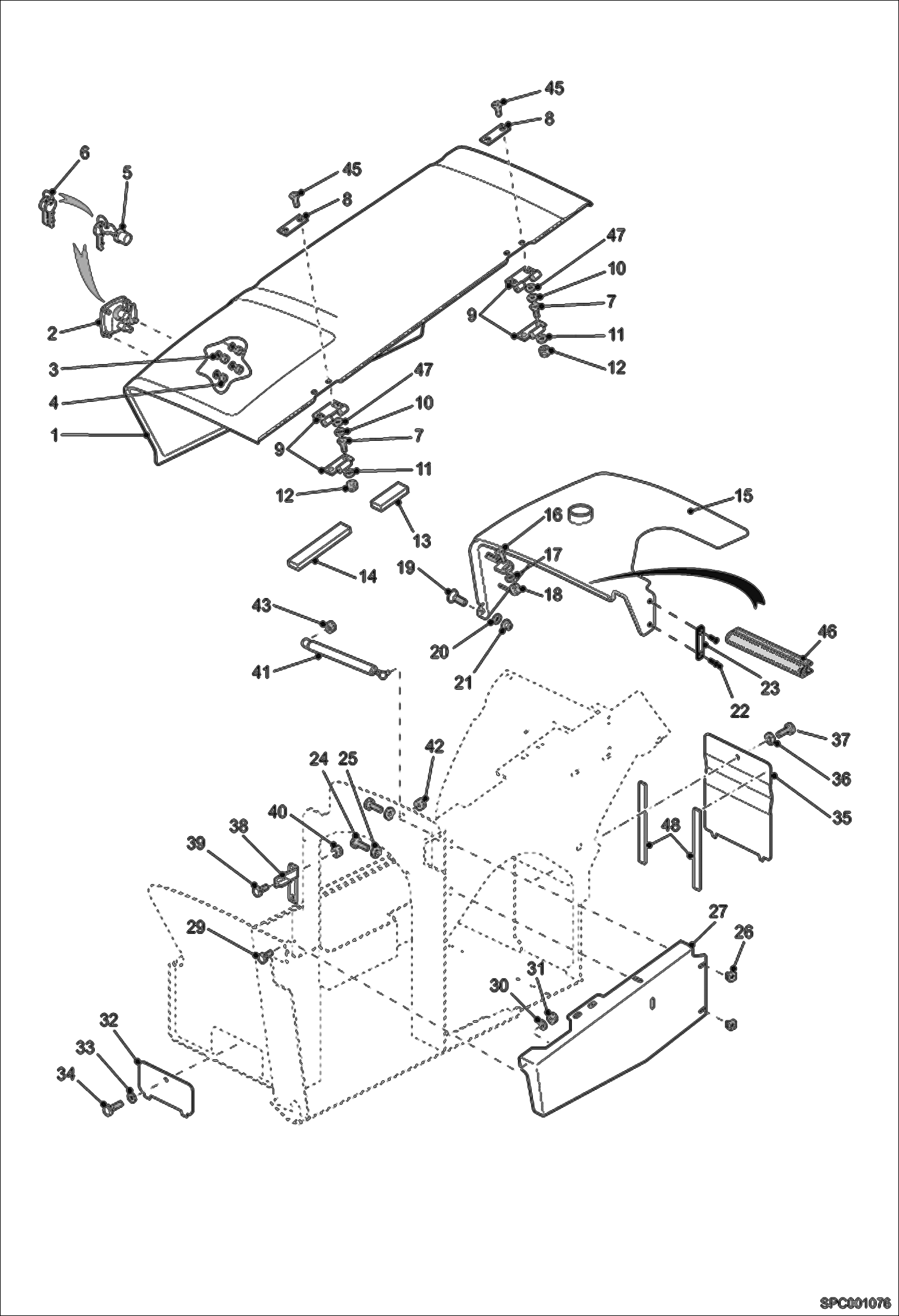
1

98765.1

Engine cover See Illustration ENGINE SOUND PROOFING/ SPC001006 W/Ref. 1-2, 8-9 & 45 Was 6910149 - A

2

6909609

LATCH - ENGINE COMPARTMENT

3

13416.3

Washer

4

01666.7

Nut

5

LOCK CYLINDER NAP - Order Ref. 2

6

6926414

SET OF KEYS Was 57189.3 - A

7

000324-65N

SCREW FHC M10-25

8

6909020

PLATE

9

6912485

HOOD HINGE

10

01682.4

Nut

11

000350-03W

WASHER

12

100345-09A

NUT

13

6914790

SEAL, BULK/METER 0,255 m - Sold per meter

14

6914790

SEAL, BULK/METER 0,255 m - Sold per meter

15

98770.1

Cover assy See Illustration ENGINE SOUND PROOFING/ SPC001006 W/Ref. 15

16

4CM825

BOLT Was 01597.4 - B

17

000350-02V

WASHER

18

01681.6

Nut Was 51851.4 - B

19

71825.4

Screw

20

000350-02V

WASHER

21

01681.6

Nut Was 51851.4 - B

22

4CM825

BOLT Was 01597.4 - B

23

01718.6

Washer

24

4CM825

BOLT Was 01597.4 - B

25

01718.6

Washer

26

01681.6

Nut Was 51851.4 - B

27

6911252

DRILL PLATE

29

4CM825

BOLT Was 01597.4 - B

30

000350-02V

WASHER

31

01681.6

Nut Was 51851.4 - B

32

6908165

PLATE

33

01718.6

Washer

34

4CM825

BOLT Was 01597.4 - B

35

98053.2

Plate, engine basket, front

36

01718.6

Washer

37

4CM825

BOLT Was 01597.4 - B

38

6915513

LOCK PLATE Was 6909591 - A

39

1CM820

BOLT Was 01596.6 - B

40

01681.6

Nut Was 51851.4 - B

41

83757.5

Gas Cylinder

42

01681.6

Nut

43

01681.6

Nut Was 51851.4 - B

45

000324-65N

SCREW FHC M10-25 Was 01638.6 - A

46

6917964

SEAL Was 6914678 - A

47

7225260

WASHER Was 89516.9 - A

48

6912269

FOAM

Выбрано товаров: 46