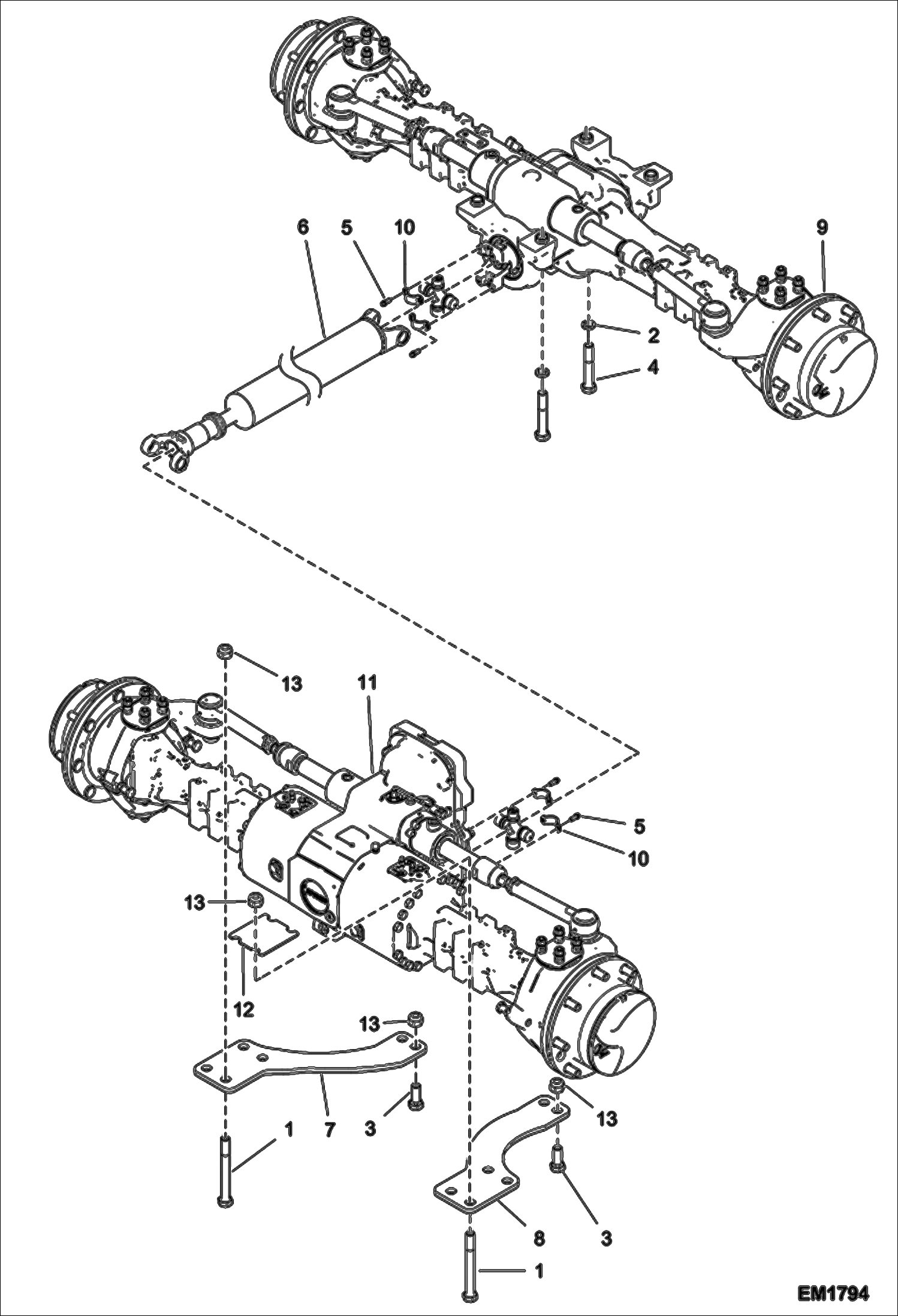
Запчасти Bobcat T2556 AXLE INSTALLATION DRIVE SYSTEM

Схема запчастей Bobcat T2556 - AXLE INSTALLATION DRIVE SYSTEM
FIT
1:1
100%

Артикул

Название

Примечание

Количество

1

6914920

SCREW

2

15323.9

Washer

3

44001.6

Screw

4

6915069

SCREW HM 20-120/46 CL10,9 ZJ8

5

6914935

SCREW

6

6918084

CARDAN SHAFT See Illustration DRIVE SHAFT ASSY/ EM1795 Was 6914932 - A

7

6914675

R.H. PLATE

8

6914676

L.H. PLATE

9

6914471

REAR AXLE

10

6914934

CLIP

11

6917731

FRONT AXLE

12

6915119

SHIM

13

100345-20M

NUT

Выбрано товаров: 13