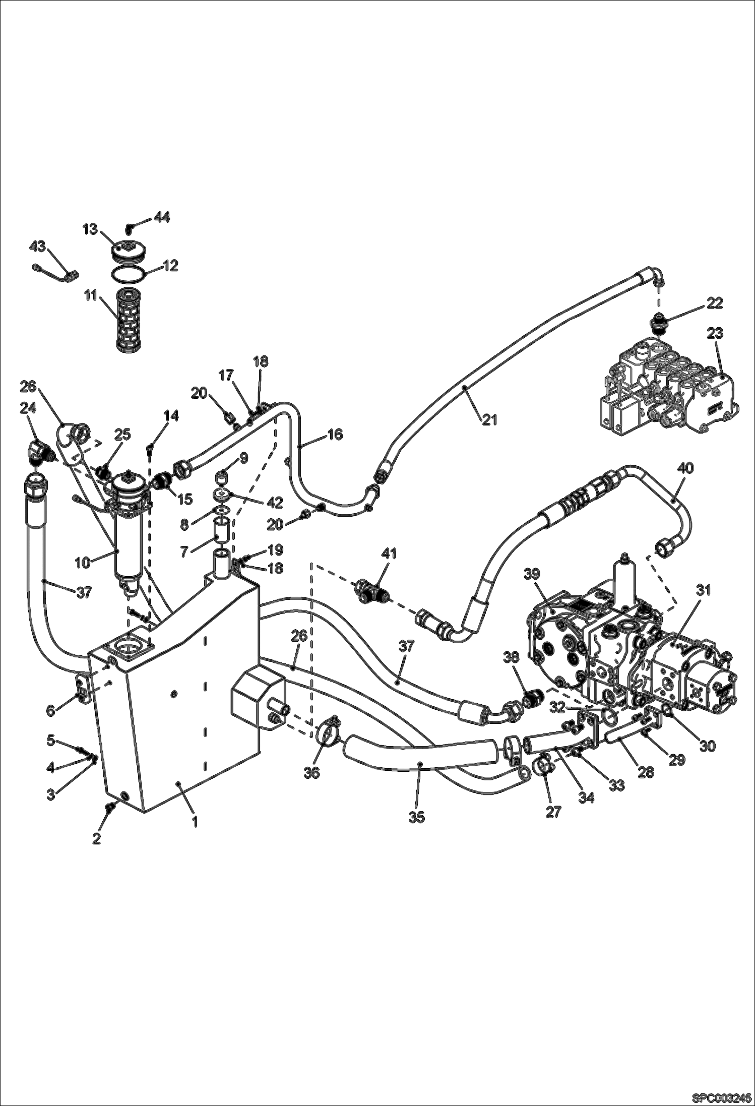
Запчасти Bobcat T2556 HYDRAULIC TANK INSTALLATION HYDRAULIC SYSTEM

Схема запчастей Bobcat T2556 - HYDRAULIC TANK INSTALLATION HYDRAULIC SYSTEM
FIT
1:1
100%

Артикул

Название

Примечание

Количество

1

6913279

TANK Was 6911099 - A

2

78743.2

Drain plug

3

38025.3

Washer

4

01718.6

Washer

5

4CM825

BOLT Was 01597.4 - B

6

54194.6

Gauge

7

6913570

STRAINER

8

6913569

SEAL

9

6917778

BREATHER Was 37148.4 - A

10

6911140

FILTER W/Ref. 11-13 & 43-44

11

6913059

FILTER, OIL HYD

12

6912548

FILTER , SEAL KIT

13

6912572

COVER ASMBLY

14

01639.4

Screw

15

6909739

UNION 1.7/8JIC 1.1/4BSP

16

6926969

TUBELINE Was 6923433 - A

17

4CM825

BOLT Was 01597.4 - B

18

000350-02V

WASHER

19

01681.6

Nut Was 51851.4 - B

20

011374-62W

PLUG 7/8 JIC FEMALE

21

6911776

FLEXIBLE HOSE

22

68609.7

Union

23

6908552

VALVE, CONTROL

24

69274.9

Elbow union

25

85170.9

Union

26

6910602

HOSE TJ1.5/16 25.4 L1980 P185B

27

6919333

COLLAR Was 89522.7 - A

28

6908091

FLANGE D20 T25

29

10167.5

Screw

30

93049.5

O-ring

31

6909807

PUMP

32

92637.8

O-ring

33

10662.5

Screw

34

6911767

FLANGE SAE 1''

35

6908326

HOSE 38 L 550 SAE 100 R4

36

89523.5

Clamp

37

6913204

HOSE

38

78705.1

Adapter

39

6910534

HYDROSTATIC PUMP

40

6910599

HOSE TJ 1.1/16 19 TJ90 1.1/16 L470

41

008372-34M

UNION

42

6917779

PLUG Was 6913567 - A

43

6912549

FILTER, PLUGGING INDICATOR

44

6910741

PLUG ASMBLY

Выбрано товаров: 0