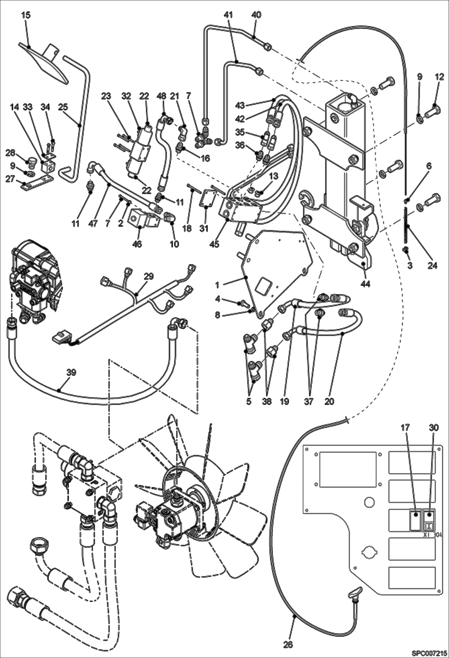
Запчасти Bobcat T2566 REAR HYDRAULIC HOOK ACCESSORIES & OPTIONS

Схема запчастей Bobcat T2566 - REAR HYDRAULIC HOOK ACCESSORIES & OPTIONS
FIT
1:1
100%

Артикул

Название

Примечание

Количество

1

6916562

SUPPORT Was 6915381 - A

2

000350-01U

WASHER

3

7231142

STOP, CABLE Was 000368-80M - A

4

01612.1

Screw

5

008372-34M

UNION

6

7231579

STOP Was 009368-06S - A

7

010370-87T

ELBOW PIECE

8

11689.7

Washer

9

15323.9

Washer

10

7186826

COUPLER, QUICK FEMALE Was 95993.2 - A

11

022375-28V

UNION

12

44001.6

Screw

13

56029.2

Plug

14

7179623

SLEEVE Was 61358.8 - A

15

63860.1

Mirror

16

65614.0

Union

17

65784.1

Blank Plug

18

68566.9

Screw

19

70225.8

Hose

20

6910391

Adapter

21

72294.2

Elbow union

22

78743.2

Drain plug

23

79160.8

Screw

24

79285.3

Spring

25

79300.0

Pipe

26

84468.8

Cable

27

6918252

SUPPORT Was 84648.5

28

96467.6

Screw

29

96589.7

Wire harness

30

96598.8

Switch (proportional)

31

98353.6

Plate

32

98360.1

Union

33

100228-57K

COVER

34

100338-23F

SCREW

35

100371-17K

ELBOW

36

100375-38S

UNION

37

100375-39T

UNION 7/8 JIC 3/8 BSP

38

100375-44Z

REDUCER 1.1/16JIC 7/8JIC (20-16)

39

65718.9

Hose Was 101319-27P

40

6908330

PIPE

41

6908331

PIPE

42

6909893

HOSE

43

6909894

HOSE

44

6910389

HOOK ASMBLY

45

6911079

HYDRAULIC BLOCK

46

6911845

SOLENOID 2-2

47

6916079

HOSE

48

6916118

HOSE

Выбрано товаров: 48