Запчасти Bobcat T2566 COOLING FAN CIRCUIT POWER UNIT

Схема запчастей Bobcat T2566 - COOLING FAN CIRCUIT POWER UNIT
FIT
1:1
100%

Артикул

Название

Примечание

Количество

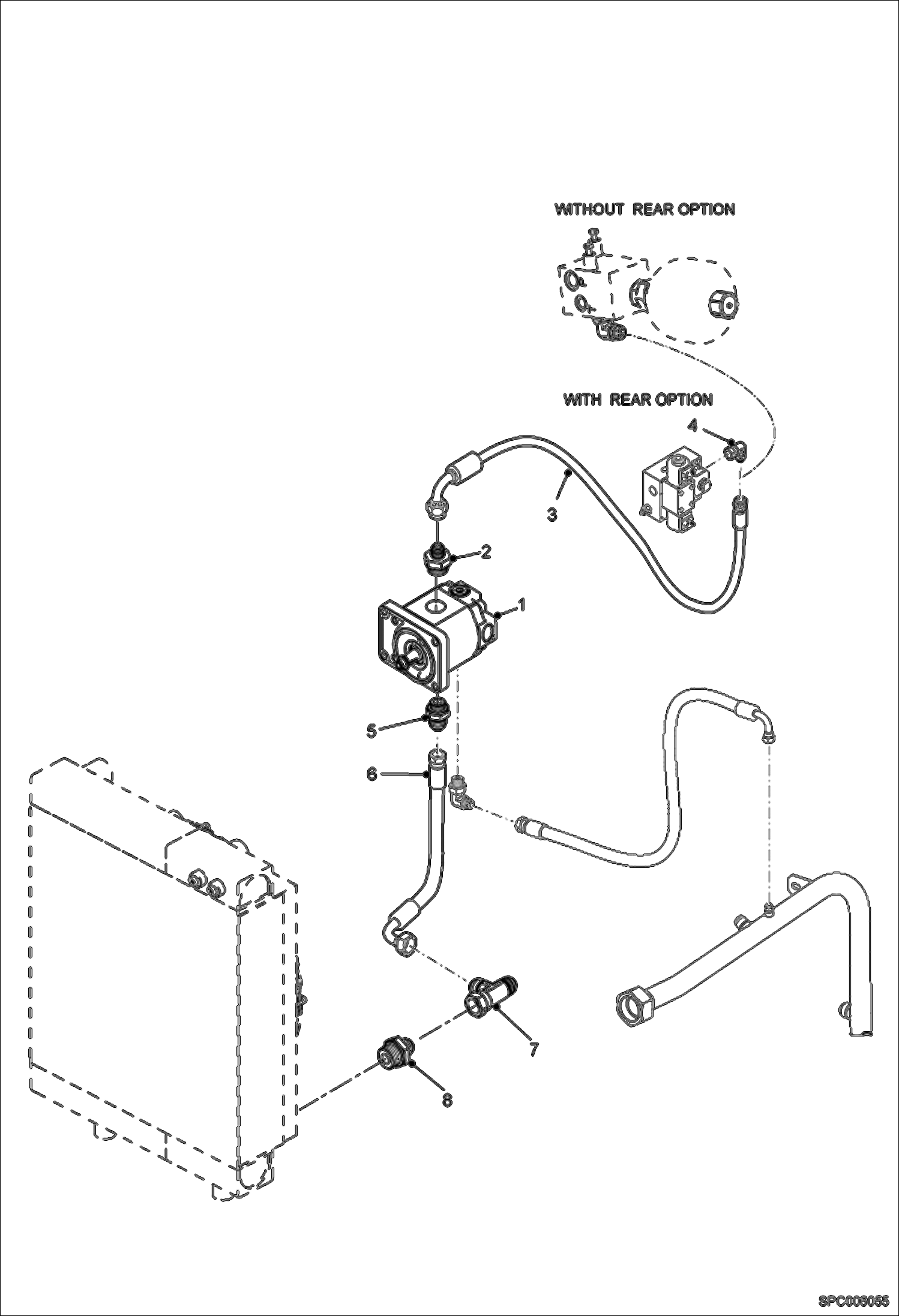
1

6916976

Hydraulic motor (2 speed) See Illustration HYDRAULIC MOTOR/ SPC003176 2 speed Was 6909809

1

6916977

Hydraulic motor (1 speed) See Illustration HYDRAULIC MOTOR/ SPC003177 1 speed Was 6909448

2

100375-59Q

UNION 3/4 JIC 3/4 BSP

3

6916641

HOSE W/O rear option

3

72281.9

Hose W/ rear option

4

008372-01B

ELBOW PIECE

5

100375-40U

UNION

6

6928048

HOSE Was 6914640 - A

7

008372-34M

UNION

8

68609.7

Union

Выбрано товаров: 10