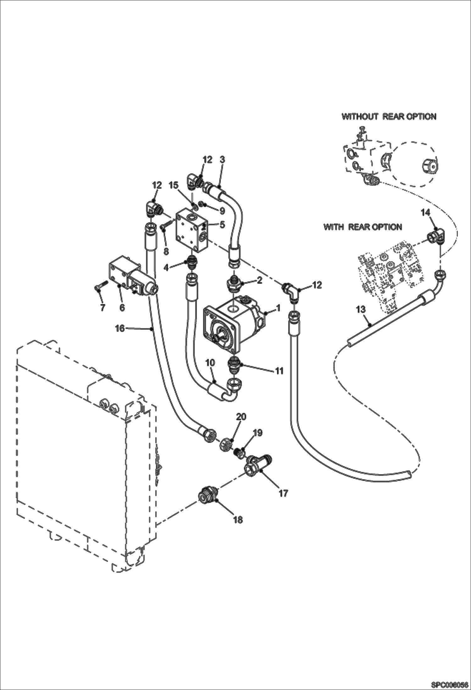
Запчасти Bobcat T2566 COOLING FAN CIRCUIT (W/ OPTIONAL REVERSE) (S/N 363012001 - 12600, 363112001 - 12570) POWER UNIT

Схема запчастей Bobcat T2566 - COOLING FAN CIRCUIT (W/ OPTIONAL REVERSE) (S/N 363012001 - 12600, 363112001 - 12570) POWER UNIT
FIT
1:1
100%

Артикул

Название

Примечание

Количество

1

6916976

Hydraulic motor (2 speed) See Illustration HYDRAULIC MOTOR/ SPC003176 2 speed Was 6909809

1

6916977

Hydraulic motor (1 speed) See Illustration HYDRAULIC MOTOR/ SPC003177 1 speed Was 6909448

2

100375-59Q

UNION 3/4 JIC 3/4 BSP

3

92995.0

Hose

4

100375-38S

UNION

5

98348.6

Support

6

98355.1

Electro distributor W/Ref. 6-7

7

79160.8

Screw

8

13669.7

Screw

9

100345-06W

NUT

10

6911028

HOSE

11

100375-40U

UNION

12

010370-94B

ELBOW PIECE

13

6916641

HOSE W/O rear option

13

72281.9

Hose W/ rear option

14

008372-01B

ELBOW PIECE

15

01696.4

Washer

16

96759.6

Hose

17

008372-34M

UNION

18

68609.7

Union

19

100375-15S

ADAPTER 1.1/16 JIC 3/4 JIC (20-12)

20

100345-34C

NUT D20-1.1/16 JIC

Выбрано товаров: 22