Запчасти Bobcat T2566 LOCAL LEGISLATION COMPLIANCE SET (Germany) ACCESSORIES & OPTIONS

Схема запчастей Bobcat T2566 - LOCAL LEGISLATION COMPLIANCE SET (Germany) ACCESSORIES & OPTIONS
FIT
1:1
100%

Артикул

Название

Примечание

Количество

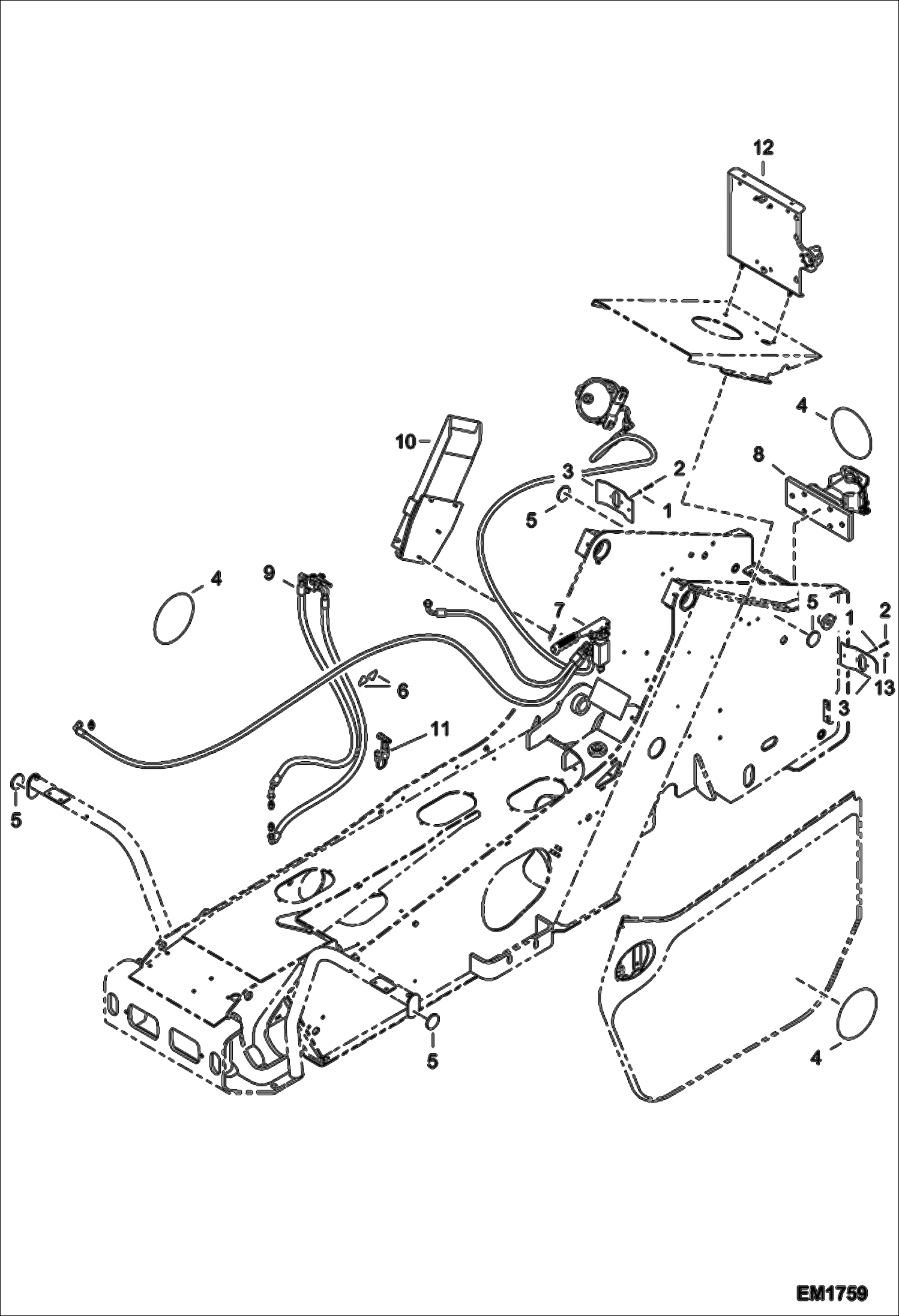
1

01695.6

Washer

2

39079.9

Screw

3

85390.3

Plate

4

82019.1

Adhesive 20 km/h only for 20 km/h version

4

82020.9

Adhesive 25 km/h only for 25 km/h version

4

82021.7

Adhesive 30 km/h only for 30 km/h version

5

100417-16J

Reflector

6

100475-97B

Decal - Boom road position indicator

7

PARKING BRAKE HYD INSTL See Illustration PARKING BRAKE HYDRAULIC INSTALLATION/ EM1339 NAP

8

OPTION, CRAMER HOOK See Illustration CRAMER HOOK/ EM1743 NAP

9

OPTION, TOW VALVE INSTL See Illustration TOW VALVE INSTALLATION/ EM1397 NAP

10

OPTION, WHEEL WEDGE See Illustration WHEEL WEDGE/ EM1735 NAP

11

OPTION, VALVE BRAKING SWITCH See Illustration BRAKE VALVE PRESSURE SWITCH/ EM1736 NAP

12

OPTION, MATRICULATION PLATE See Illustration MATRICULATION PLATE/ EM1760 NAP - not for 20 km/h version

13

71611.8

Cover not for 30 km/h version

Выбрано товаров: 15