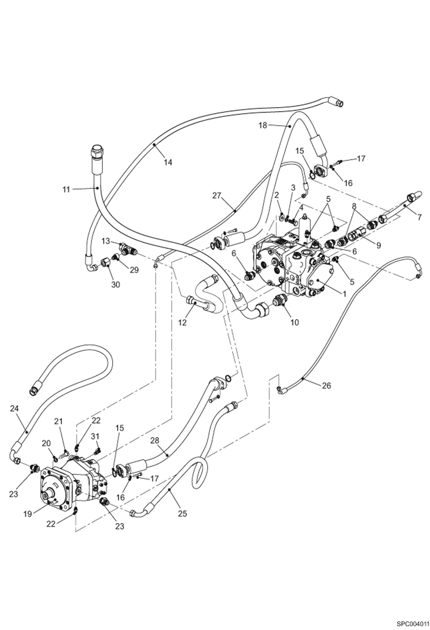
Запчасти Bobcat T35100L HYDROSTATIC HOSES AND FITTINGS HYDROSTATIC SYSTEM

Схема запчастей Bobcat T35100L - HYDROSTATIC HOSES AND FITTINGS HYDROSTATIC SYSTEM
FIT
1:1
100%

Артикул

Название

Примечание

Количество

1

6913565

HYDROSTATIC PUMP

2

100454-17G

WASHER

3

89517.7

Washer

4

01613.9

Screw

5

67046.3

Adapter

6

014375-33L

UNION

7

6909780

PIPE

8

100375-40U

UNION

9

97880.9

Check valve

10

78705.1

Adapter

11

6913204

HOSE

12

6910599

HOSE TJ 1.1/16 19 TJ90 1.1/16 L470

13

008372-34M

UNION

14

6910161

HOSE TJ3/4 12.7 TJ90 3/4 L2200 P310

15

7009211

O-RING Was 003304-21D - B

16

92210.4

Washer

17

28689.8

Screw

18

6915391

HOSE

19

78256.5

Hydrostatic Motor Assy

20

89518.5

Washer

21

28439.8

Screw

22

67046.3

Adapter

23

014375-96E

UNION

24

96795.0

Hose

25

6914746

HOSE

26

96755.4

Hose

27

96756.2

Hose

28

6915392

HOSE

29

100375-15S

ADAPTER 1.1/16 JIC 3/4 JIC (20-12)

30

100345-34C

NUT D20-1.1/16 JIC

31

72065.6

Pressure switch W/chain

Выбрано товаров: 0