Запчасти Bobcat T35100L ELECTRICAL CIRCUIT CAB (S/N A8HD11001 - 12000, A8GW11001 - 12000, A8GT11001 - 12000) ELECTRICAL SYSTEM

Схема запчастей Bobcat T35100L - ELECTRICAL CIRCUIT CAB (S/N A8HD11001 - 12000, A8GW11001 - 12000, A8GT11001 - 12000) ELECTRICAL SYSTEM
FIT
1:1
100%

Артикул

Название

Примечание

Количество

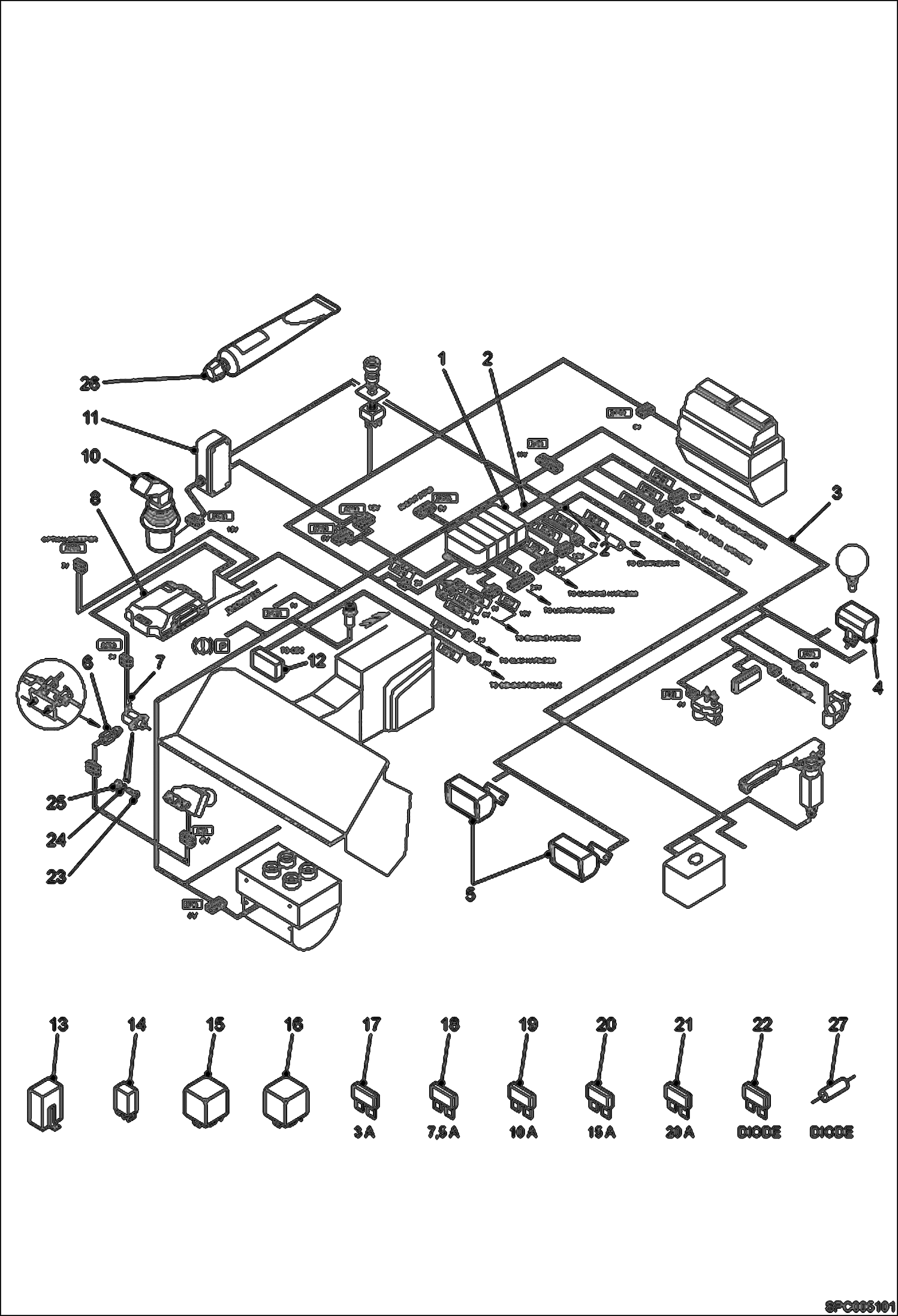
1

6916967

HARNESS CAB W/Ref. 13-22

2

6923909

CABIN HARNESS

3

97236.4

Wire Harness

4

78816.6

Rear worklight

4

6960571

BULB Was 7200932 - A

5

78815.8

Front worklight

5

6960571

BULB Was 7200932 - A

6

6918227

SWITCH DETECTOR Was 6909324

7

SENSOR , INCHING NLA - Order 6934897 - Was 6909383 - A

8

6911325

ELECTRIC BOX

10

6915268

MANIPULATOR Was 6910314 - A

11

6922919

BCC 570 Was 6919190 - A

12

6924060

STABILITY INDICATOR Was 6913764 - A

13

96623.4

Turn signal relay

14

6910955

RELAY,MICRO

15

79930.4

Relay black

16

100411-05U

RELAY green

17

64120.9

Fuse 3A

18

57792.4

Fuse 7.5A

19

57752.8

Fuse 10A

20

57793.2

Fuse 15A

21

57753.6

Fuse 20A

22

80226.4

Diode

23

100345-05V

NUT

24

6910952

WASHER JZC5

25

100345-05V

NUT

26

6901596

GREASE

27

101472-20M

DIODE

Выбрано товаров: 28