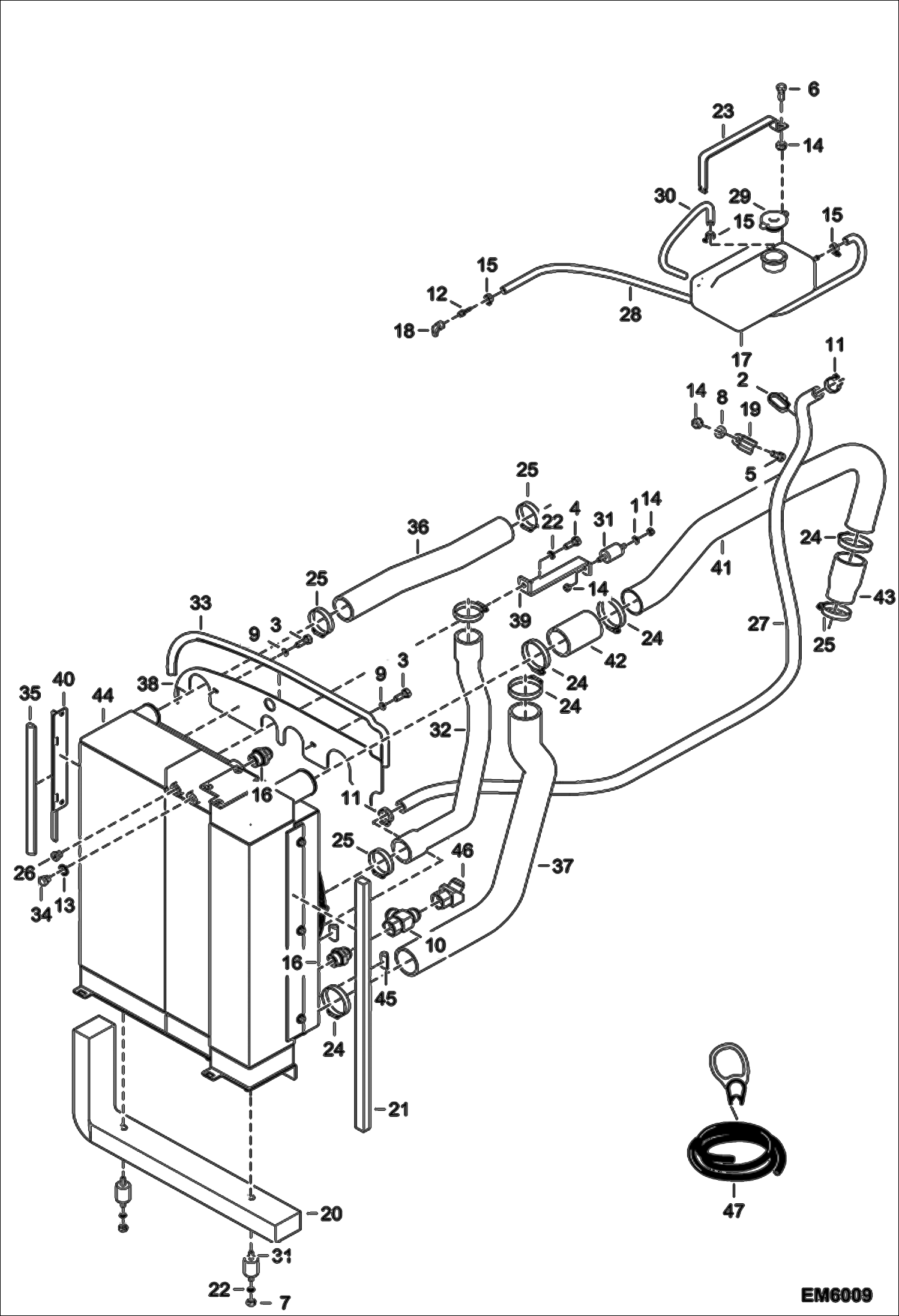
Запчасти Bobcat T35100L COOLING SYSTEM INSTALLATION (S/N A8HD12026 - 15103, A8GW12045 - 15084, A8GT12064 - 15084) POWER UNIT

Схема запчастей Bobcat T35100L - COOLING SYSTEM INSTALLATION (S/N A8HD12026 - 15103, A8GW12045 - 15084, A8GT12064 - 15084) POWER UNIT
FIT
1:1
100%

Артикул

Название

Примечание

Количество

1

000350-02V

WASHER

2

6624289

STRAP, TIE

3

01590.9

Screw

4

1CM820

BOLT Was 01596.6 - B

5

4CM825

BOLT Was 01597.4 - B

6

01598.2

Screw

7

4DM8

NUT Was 01668.3 - B

8

01697.2

Washer

9

01717.8

Washer

10

13K10

TEE Was 008372-34M - A

11

11734.1

Collar

12

014375-97F

UNION

13

34765.8

Copper ring not for EMEA

14

01681.6

Nut Was 51851.4 - B

15

5HM14

CLAMP Was 62231.6 - A

16

85170.9

Union Was 68609.7 - A

17

78688.9

Expansion tank

18

78745.7

Adapter

19

84729.3

Clamp

20

88394.2

Insulation

21

88395.9

Insulation

22

89519.3

Washer

23

90490.4

Plate

24

100369-55H

COLLAR

25

42HS30

CLAMP, HOSE Was 100369-80K - A

26

100374-14H

PLUG

27

6908901

HOSE D19 L2050

28

6908902

HOSE D10 L1080

29

6909875

PLUG , RADIATOR

30

6910264

HOSE D7L400

31

6910966

BUSHING , RUBBER , RADIATOR

32

6910970

HOSE

33

TRIM, EDGE NAP - 950 mm (37.4'') long - Order Ref. 47

34

6911759

PLUG MALE M14X1.25 ALLEN not for EMEA

35

TRIM, EDGE NAP - 360 mm (14.2'') long - Order Ref. 47

36

6919939

HOSE

37

6921108

HOSE

38

6921188

PLATE

38

6927852

PLATE

39

6921191

PLATE

40

6921241

PLATE

41

6923939

PIPE

42

6924096

SLEEVE

43

6924097

REDUCER SLEEVE

44

6933946

RADIATOR See Illustration RADIATOR/ EM1385 Was 6924387 - A

45

TRIM, EDGE NAP - 35 mm (1.4'') long - Order Ref. 47

46

12K10

FITTING Was 12K8 - A

47

62736.4

Edging bulk - sold per foot

Выбрано товаров: 48