Запчасти Bobcat T35100L AXLE INSTALLATION DRIVE SYSTEM

Схема запчастей Bobcat T35100L - AXLE INSTALLATION DRIVE SYSTEM
FIT
1:1
100%

Артикул

Название

Примечание

Количество

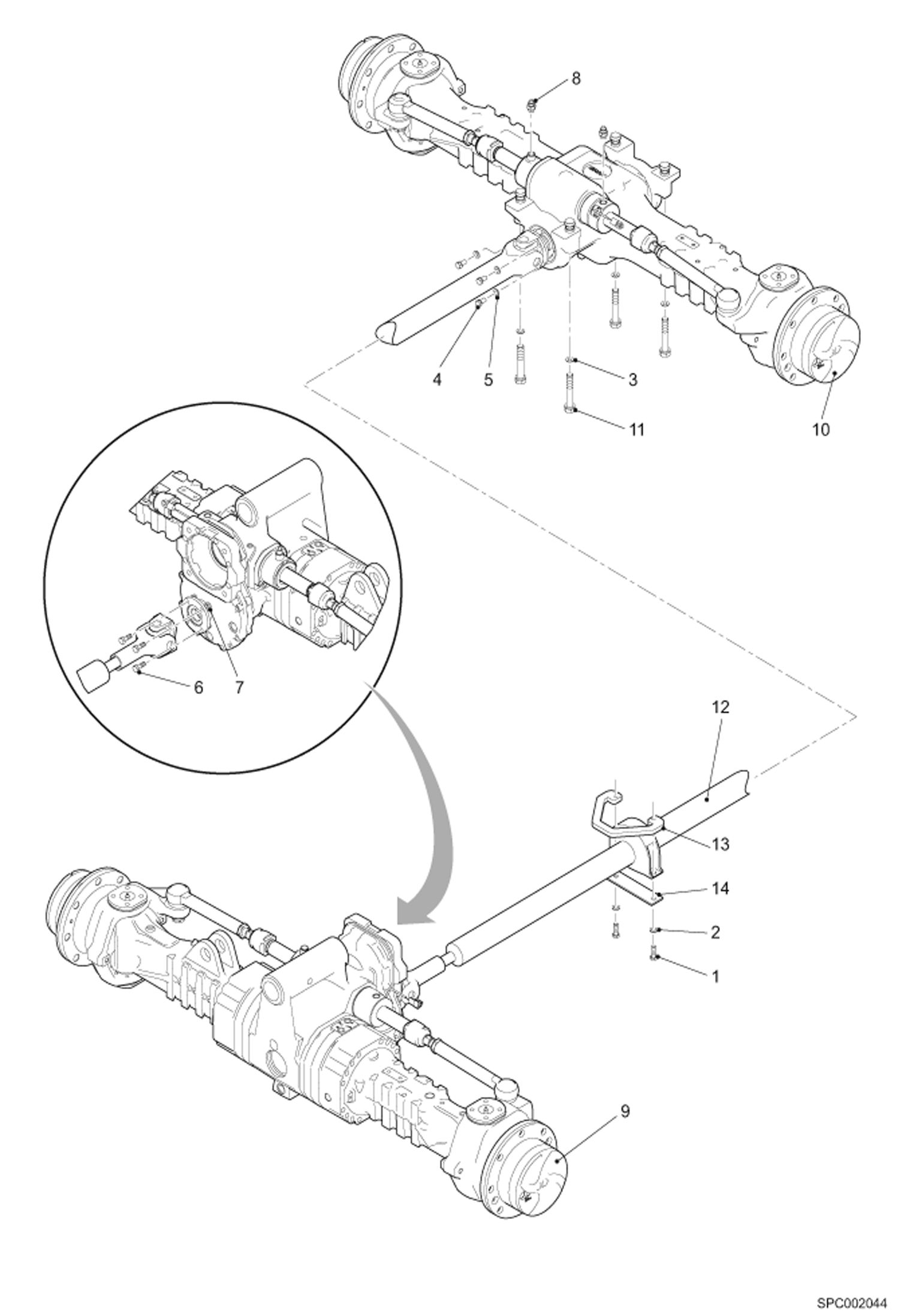
1

01614.7

Screw

2

01699.8

Washer

3

15323.9

Washer

4

66425.0

Screw

5

89517.7

Washer

6

7214990

SCREW Was 6927897 - A

7

100345-11C

NUT

8

100375-56M

UNION

9

6934694

FRONT AXLE NG33 Was 6914472 - A

10

6934450

REAR AXLE NG33 Was 6914473 - A

11

6915069

SCREW HM 20-120/46 CL10,9 ZJ8

12

7215052

SHAFT, DRIVE See Illustration DRIVE SHAFT/ SPC002051 Was 6915283 - A

13

6915290

FLANGE

14

7215050

SUPPORT Was 6916071 - B

Выбрано товаров: 14