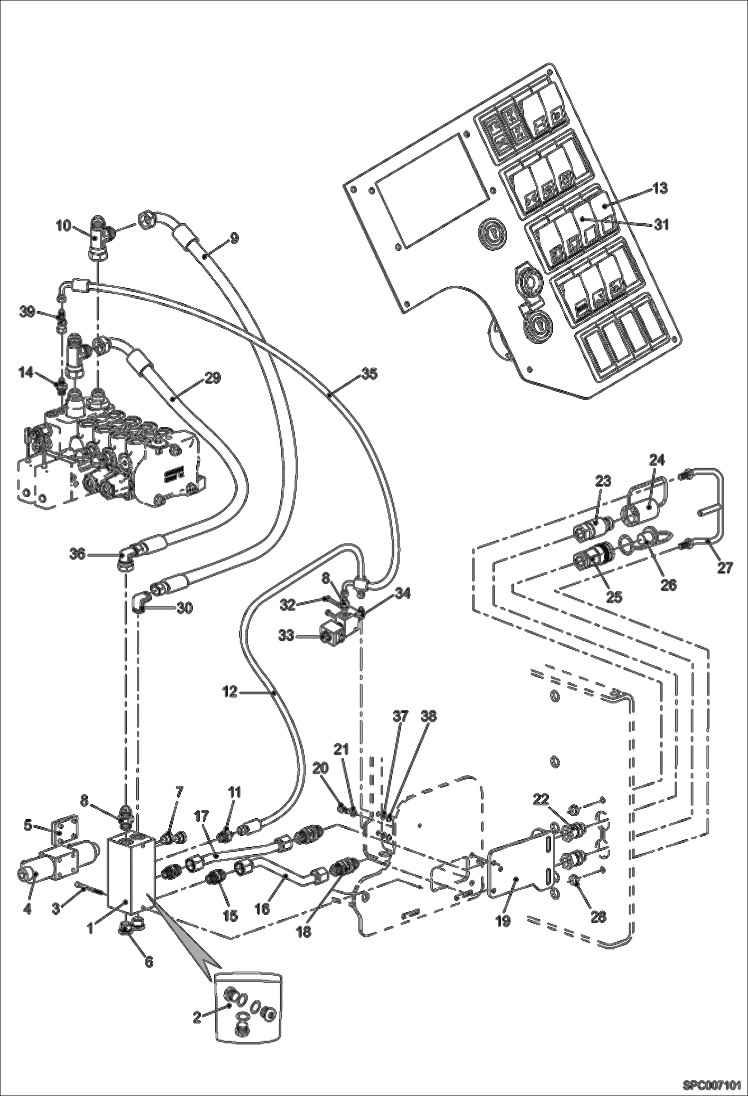
Запчасти Bobcat T35120L REAR HYDRAULIC FUNCTION ACCESSORIES & OPTIONS
№
Артикул
Название
Примечание
Количество
1
6911079
HYDRAULIC BLOCK
2
6912535
SET OF PLUG
3
68566.9
Screw
4
98360.1
Union
5
98353.6
Plate
7
56029.2
Plug
8
014375-30H
UNION
9
6913675
FLEXIBLE
10
008372-34M
UNION
11
65614.0
Union
12
65285.9
Elbow
13
65784.1
Blank Plug
14
022375-28V
UNION
15
100375-39T
UNION 7/8 JIC 3/8 BSP
16
6910512
HYDRAULIC PIPE
17
6910513
HYDRAULIC PIPE
18
100375-52H
UNION
19
6910523
SUPPORT
20
6GM816
SCREW Was 29649.1 - A
21
89519.3
Washer
22
7225156
FITTING, HYD Was 022375-06W - A
23
7225159
COUPLER, HYD Was 95994.0 - A
24
7225160
CAP, COUPLER Was 96513.7 - A
25
7186826
COUPLER, QUICK FEMALE Was 95993.2 - A
26
7225161
CAP, COUPLER
27
6910517
PROTECTOR
28
100345-09A
NUT
29
6913675
FLEXIBLE
30
010370-90W
ELBOW PIECE
31
96599.6
Rear Option Switch
32
1CM650
SCREW Was 48829.6 - A
33
6911845
SOLENOID 2-2
34
7186826
COUPLER, QUICK FEMALE Was 95993.2 - A
35
6912226
FLEXIBLE
36
010370-90W
ELBOW PIECE
37
000350-01U
WASHER
38
100345-06W
NUT
39
69485.1
T- union
Выбрано товаров: 39