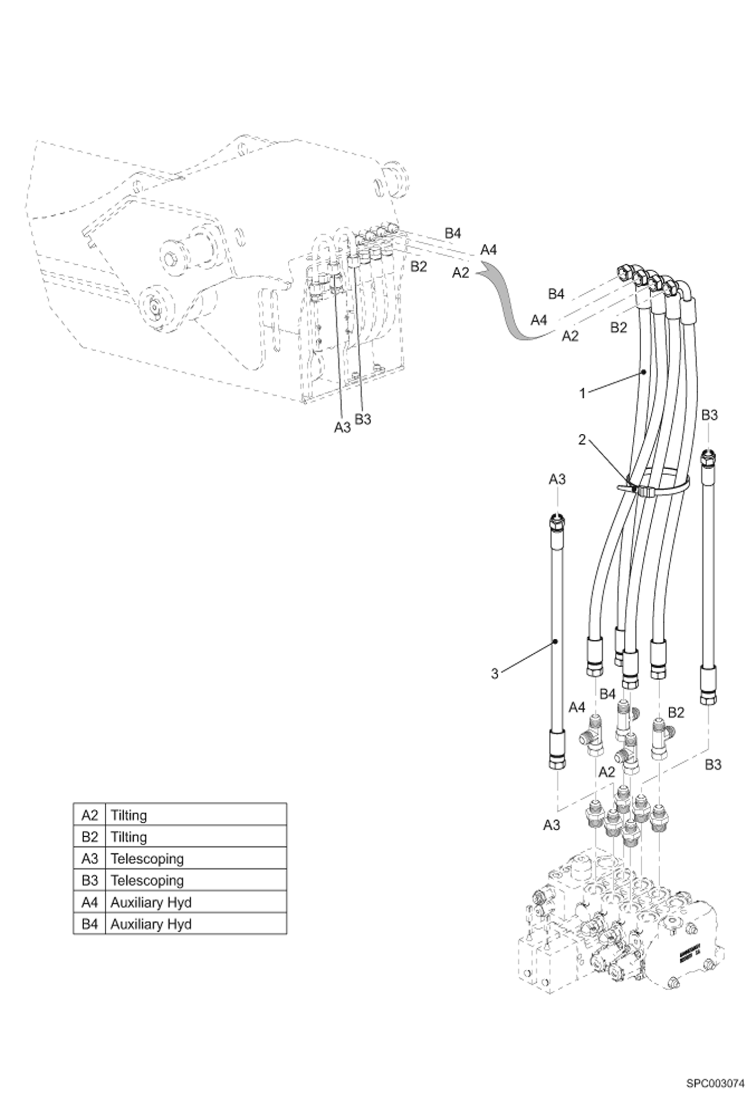
Запчасти Bobcat T35120SL BOOM HYDRAULIC SUPPLY FROM CONTROL VALVE HYDRAULIC SYSTEM

Схема запчастей Bobcat T35120SL - BOOM HYDRAULIC SUPPLY FROM CONTROL VALVE HYDRAULIC SYSTEM
FIT
1:1
100%

Артикул

Название

Примечание

Количество

1

6915089

HOSE Was 68789.7 - A

2

7194074

TIE, CABLE Was 001369-22D - A

3

96779.4

Hose Was 85471.1 - A

Выбрано товаров: 0