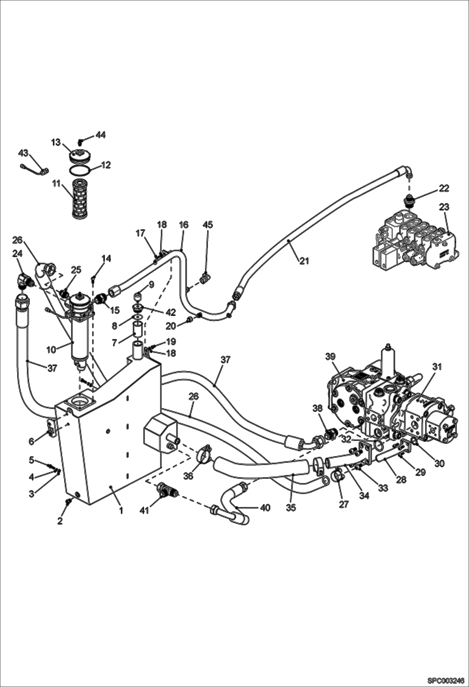
Запчасти Bobcat T35120SL HYDRAULIC TANK INSTALLATION HYDRAULIC SYSTEM

Схема запчастей Bobcat T35120SL - HYDRAULIC TANK INSTALLATION HYDRAULIC SYSTEM
FIT
1:1
100%

Артикул

Название

Примечание

Количество

1

6913526

HYDRAULIC TANK Was 6911094

2

78743.2

Drain plug

3

38025.3

Washer

4

01718.6

Washer

5

4CM825

BOLT Was 01597.4 - B

6

54194.6

Gauge

7

6913570

STRAINER

8

6913569

SEAL Was 98583.8

9

6917778

BREATHER Was 37148.4

10

6911140

FILTER W/Ref. 11-13 & 43-44

11

6913059

FILTER, OIL HYD

12

6912548

FILTER , SEAL KIT

13

6912572

COVER ASMBLY

14

01639.4

Screw

15

6909739

UNION 1.7/8JIC 1.1/4BSP

16

6910972

MANIFOLD PIPE

17

4CM825

BOLT Was 01597.4 - B

18

000350-02V

WASHER

19

01681.6

Nut Was 51851.4 - B

20

011374-62W

PLUG 7/8 JIC FEMALE

21

6913649

HOSE

22

68609.7

Union Was 6910603

23

6912484

VALVE 4SX14 P265B

24

69274.9

Elbow union

25

85170.9

Union

26

6910602

HOSE TJ1.5/16 25.4 L1980 P185B

27

6919333

COLLAR Was 89522.7

28

6908091

FLANGE D20 T25

29

10167.5

Screw

30

93049.5

O-ring

31

6909447

PUMP, HYD ASSY See Illustration HYDRAULIC PUMP INSTALLATION/ SPC003062

32

92637.8

O-ring

33

10662.5

Screw

34

6911767

FLANGE SAE 1''

35

6910573

HOSE D38 L400 SAE100R4

36

89523.5

Clamp

37

6913204

HOSE

38

78705.1

Adapter

39

PUMP, HYDROSTATIC See Illustration HYDROSTATIC PUMP ASSY/ SPC004002 NAP Was 6910533

39

6913565

HYDROSTATIC PUMP See Illustration HYDROSTATIC PUMP ASSY/ SPC004003

40

6910599

HOSE TJ 1.1/16 19 TJ90 1.1/16 L470

41

008372-34M

UNION

42

6917779

PLUG Was 6913567

43

6912549

FILTER, PLUGGING INDICATOR Was 6913238

44

6910741

PLUG ASMBLY

Выбрано товаров: 0