Качественные детали и логистика
Оригинальные и аналоговые запчасти с доставкой по России, Казахстану и Беларуси
©2022 PartSell ООО "Система" ИНН 2463123282 ОГРН 1212400004838
Центральный офис: г. Красноярск, Академика Киренского, д.87, пом.4
Телефон: 8 (800) 777-65-74 Email: zakaz@partsell.ru
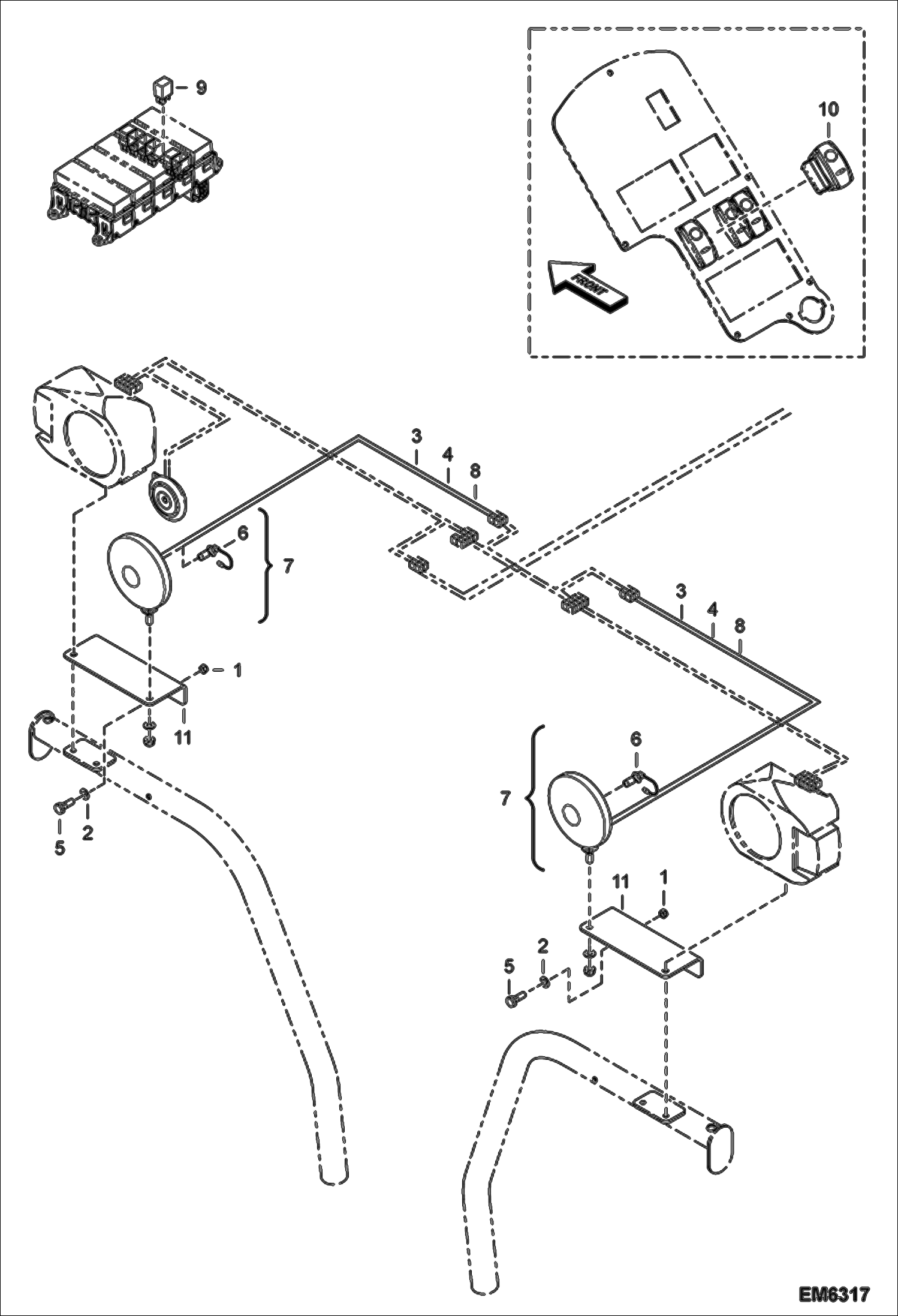
BLUE LIGHT (S/N A8HF13000 & Above, A8H613000 & Above)
№
Артикул
Название
Примечание
Количество
1
4DM8
NUT Was 01668.3 - B
2
01718.6
Washer
3
26261.8
Clip
4
26263.4
Sleeve
5
33966.3
Screw
6
6960571
BULB Was 7200932 - A
7
7177371
LIGHT, BLUE W/Ref. 6 Was 74407.8 - A
8
90335.1
Wire harness
9
6910955
RELAY,MICRO
10
6927719
SWITCH, BLUE LIGHT
11
6927865
BRACKET, BLUE LIGHT
Выбрано товаров: 0