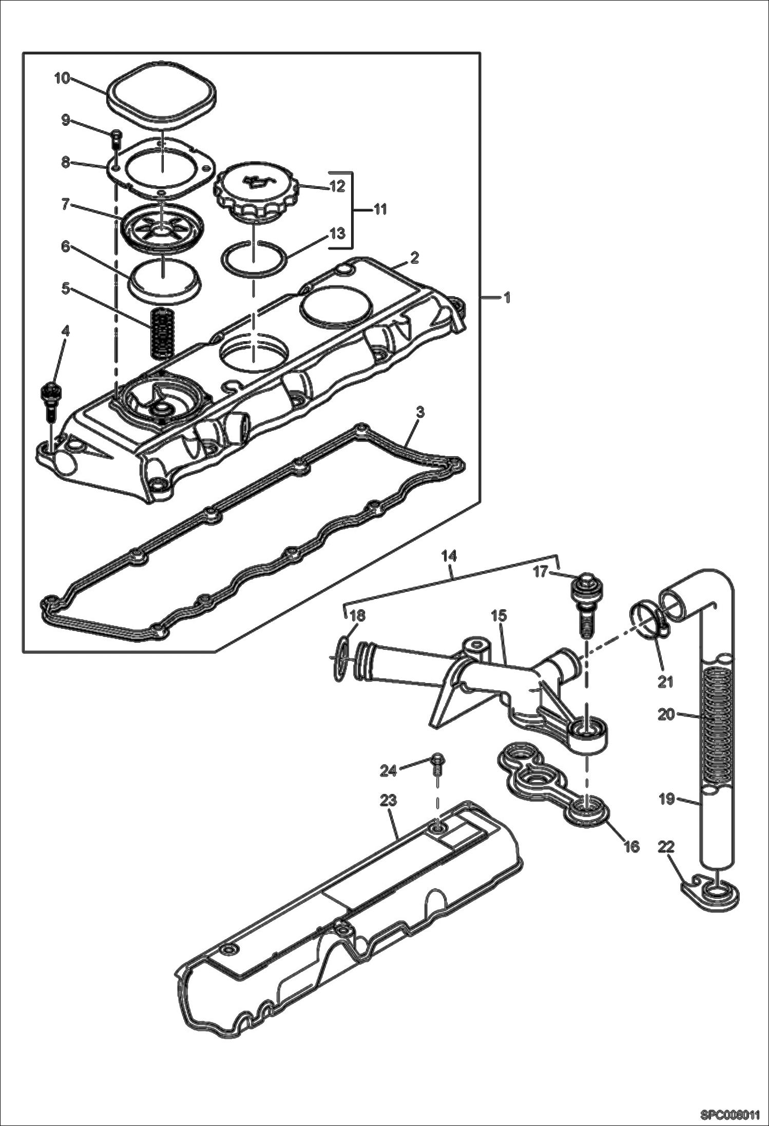
Запчасти Bobcat T3571L CYLINDER HEAD COVER POWER UNIT

Схема запчастей Bobcat T3571L - CYLINDER HEAD COVER POWER UNIT
FIT
1:1
100%

Артикул

Название

Примечание

Количество

1

6912017

CYLINDER HEAD COVER ASSY W/Ref. 2-13

2

COVER NSS - Order Ref. 1

3

6911968

ROCKER COVER JOINT

4

6911866

SCREW

5

6911926

SPRING

6

6911994

CAP

7

6911997

DIAPHRAGM

8

6911960

COVER PLATE

9

6911865

SCREW

10

6911995

CAP

11

7022458

CAP, OIL FILLER W/Ref. 12-13 Was 81026.7 - B,D

12

CAP NSS - Order Ref. 11

13

6911879

O RING

14

6912014

BREATHER PIPE W/Ref. 15-18

15

PIPE NSS - Order Ref. 14

16

6911982

SEAL

17

6911866

SCREW

18

6911878

O RING

19

6911950

HOSE

20

7014211

SPRING Was 7022463 - A

21

6670940

CLIP Was 93273.1 - A

22

71366.9

Bracket

23

6911996

COVER

24

71399.0

Screw

Выбрано товаров: 24