Качественные детали и логистика
Оригинальные и аналоговые запчасти с доставкой по России, Казахстану и Беларуси
©2022 PartSell ООО "Система" ИНН 2463123282 ОГРН 1212400004838
Центральный офис: г. Красноярск, Академика Киренского, д.87, пом.4
Телефон: 8 (800) 777-65-74 Email: zakaz@partsell.ru
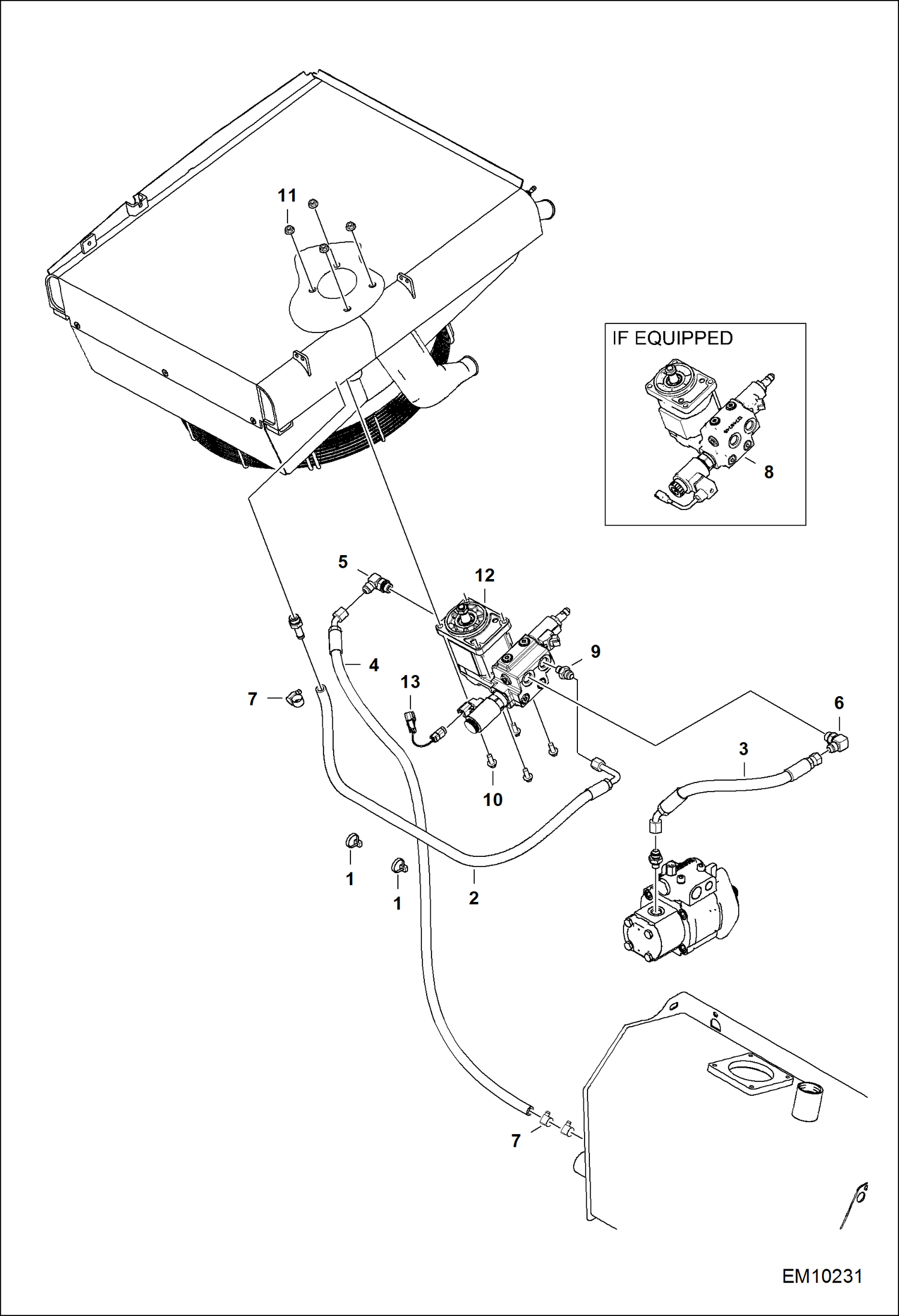
HYDRAULIC CIRCUITRY (W/Fan Motor Reverse)
№
Артикул
Название
Примечание
Количество
1
6624289
STRAP, TIE
2
7159984
HOSE, HYD
3
7200107
4
7232574
5
15KB0604
FTG HYD S CONNECTOR
79K4
O RING 10
6
17KB0808
FITTING, HYD ELBOW 90 degrees
79K8
7
42HL88
CLAMP
8
7231893
MOTOR, FAN INVERTER See Illustration FAN MOTOR INVERTER/ EM9961
9
15KB0808
FITTING, HYD CONNECTOR
10
29CM830
CAPSCREW
11
43DM8
NUT
Выбрано товаров: 0