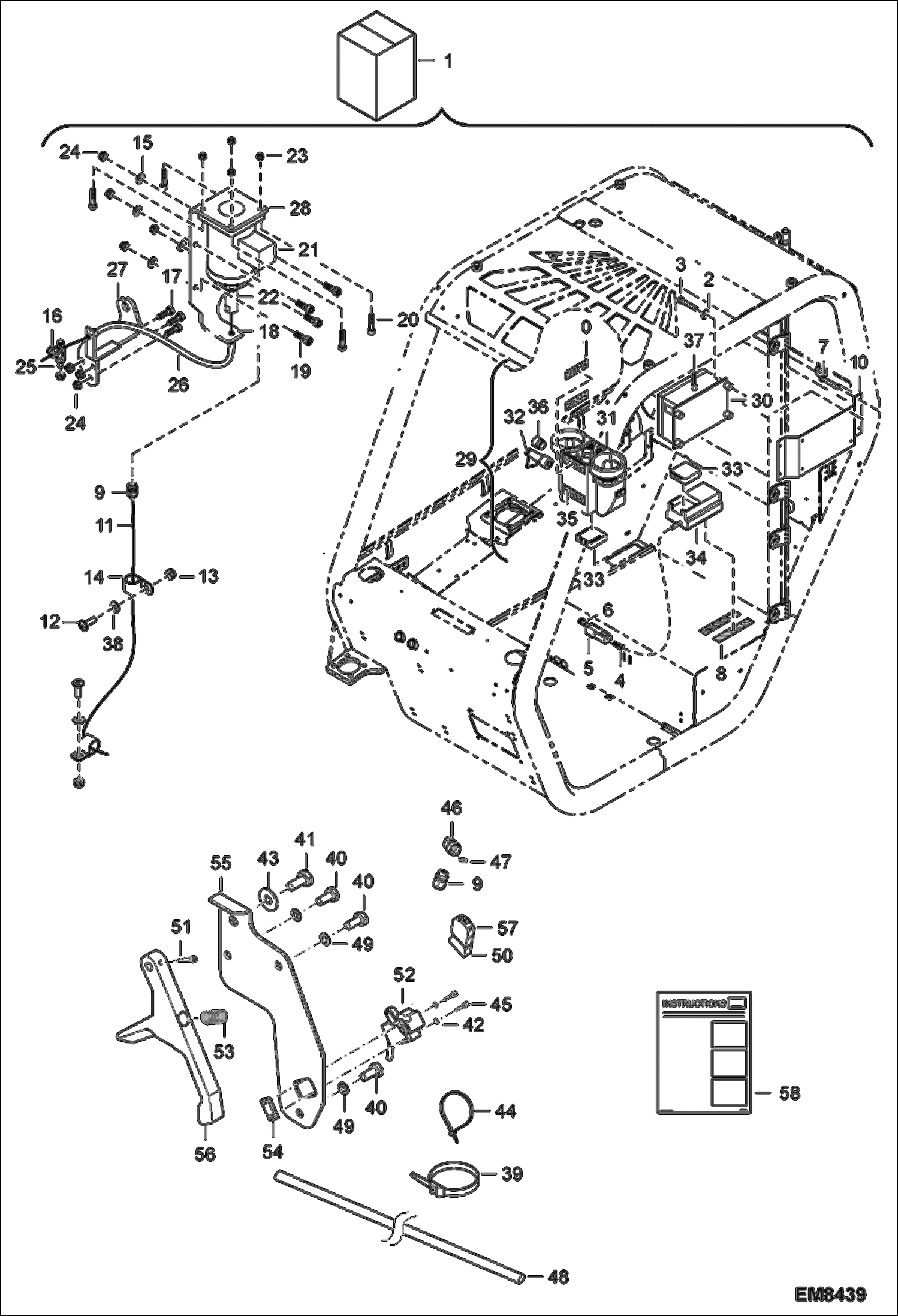
Запчасти Bobcat T40140 RADIO CONTROL KIT (For Machines Not Equiped Platform Ready) (S/N 363211098 & Above, S/N 363311160 & Above) ACCESSORIES & OPTIONS

Схема запчастей Bobcat T40140 - RADIO CONTROL KIT (For Machines Not Equiped Platform Ready) (S/N 363211098 & Above, S/N 363311160 & Above) ACCESSORIES & OPTIONS
FIT
1:1
100%

Артикул

Название

Примечание

Количество

1

6925320

KIT, RADIO CONTROL for machines not equiped ''platform ready'' - W/Ref. 2-58 Was 6925320 - A

2

13416.3

Washer

3

32397.2

Screw

4

78923.0

CONTACTEUR

5

79531.0

Connector

6

79532.8

Connector

7

79864.5

Screw

8

82061.3

ADHESIVE VELCRO 500 mm (19.69'') long - sold per foot

9

96627.5

Cable plug

10

6908541

PLATE

11

6913575

WIRE HARNESS

12

6927921

SCREW

13

6927995

NUT

14

30H46

CLIP

15

000350-01U

WASHER

16

7231142

STOP, CABLE Was 000368-80M - A

17

01591.7

Screw

18

7231579

STOP Was 009368-06S - A

19

10167.5

Screw

20

6GM525

SCREW Was 33786.5 - A

21

7231582

MAGNET Was 80266.0 - A

22

7231140

CABLE Was 80697.6 - A

23

100345-05V

NUT

24

100345-06W

NUT

25

7231141

ARM Was 6913057 - A

26

6913276

Cable

27

6913278

Support

28

6913531

Acceleration Plate

29

6925495

KIT, HETRONIC W/Ref. 30-37

30

6924887

RADIO RECIEVER

31

6919921

RADIO CONTROL TRANSMITTER

32

97925.2

OPERATING KEY

33

97924.5

BATTERY

34

97923.7

Battery loader

35

82060.5

ADHESIVE VELCRO 200 mm (7.88'') long - sold per foot

36

6925313

KEY, RED

37

6925314

ANTENNA

38

006350-02U

WASHER

39

6624289

STRAP, TIE

40

01605.5

Screw

41

01610.5

Screw

42

13414.8

WASHER

43

47571.5

WASHER

44

7214998

STRAP, TIE Was 50917.4 - A

45

53100.4

Screw

46

79549.2

Female connector 6 poles

47

79550.0

Block

48

82088.6

Protection 3000 mm (118.11'') long - sold per foot

49

7225260

WASHER Was 89516.9 - A

50

97882.5

CONTACT ELEMENT

51

100329-01C

SCREW

52

6919100

SWITCH, DETECTION

53

6919186

SPRING

54

6921490

PLATE

55

6922506

PLATE, SUPPORT

56

6922508

ARM, DETECTION

57

6923570

CONTACT BLOCK

58

6987342

INSTALLATION INSTRUCTIONS

Выбрано товаров: 58